Stock XJ Cherokee Tech. All XJ Non-modified/stock questions go here XJ (84-01)
All OEM related XJ specific tech. Examples, no start, general maintenance or anything that's stock.

1995 No low speed wipers

Old Jan 17, 2022 | 02:56 PM
  #1  
AdaMerlock's Avatar
Thread Starter
Newbie
 
Joined: Aug 2021
Posts: 23
Likes: 1
From: Virginia
Year: 1995
Model: Cherokee (XJ)
Engine: 4.0
Default 1995 No low speed wipers

I’ve deleted the delay box temporarily and still don’t have a low speed for the wipers. Can the motor burn out the low circuit and not the high circuit?
Reply
Old Jan 17, 2022 | 05:56 PM
  #2  
lawsoncl's Avatar
CF Veteran
5 Year Member
Liked
Loved
Community Favorite
 
Joined: Dec 2017
Posts: 4,365
Likes: 1,215
Year: 1989
Model: Comanche (MJ)
Engine: 4.0
Default

Do they still park themselves when you turn the wipers off? If they do, I'd suspect the low speed wire from the connection at the delay box to the wiper motor.
Reply
Old Jan 17, 2022 | 07:30 PM
  #3  
AdaMerlock's Avatar
Thread Starter
Newbie
 
Joined: Aug 2021
Posts: 23
Likes: 1
From: Virginia
Year: 1995
Model: Cherokee (XJ)
Engine: 4.0
Default

No They dont and they didnt when the delay box was in. When the delay box was in I had no intermittent, no park, no wipers with the washer, and now low only high. In theory bypassing the box i should still have low. also another quirk i found earlier, when slowly turning the wiper switch in the intermittent before low it would draw a ton and pop the breaker. have absolutely no clue. https://drive.google.com/file/d/1ly0...ew?usp=sharing link to a vid demonstrating
Reply
Old Jan 17, 2022 | 11:16 PM
  #4  
lawsoncl's Avatar
CF Veteran
5 Year Member
Liked
Loved
Community Favorite
 
Joined: Dec 2017
Posts: 4,365
Likes: 1,215
Year: 1989
Model: Comanche (MJ)
Engine: 4.0
Default

I'm thinking it's time to pull the cowl up and measure what's going on at the motor. Maybe unplug and apply 12-volts to the low speed wire and see what happens. See if you're getting voltage to the right wires based on switch position. I'm thinking if the low speed is somehow shorted to ground, it should also pop the breaker when trying to park. If the switch is broken, that could explain the problem and shorting the breaker to ground in between off and intermittent too.

Looking at my FSM
Pin 5 - Brown/white should be the low speed.
Pin 6 - Red/Yellow should be the high speed.
Pin 2 - Tan/Red should be grounded to pin 4 when wipers are down.
Pin 3 - LightGreen/Black should connect to pin 2 when the wipers are up.
Pin 4 - Black is ground.
Reply
Old Jan 17, 2022 | 11:55 PM
  #5  
lawsoncl's Avatar
CF Veteran
5 Year Member
Liked
Loved
Community Favorite
 
Joined: Dec 2017
Posts: 4,365
Likes: 1,215
Year: 1989
Model: Comanche (MJ)
Engine: 4.0
Default

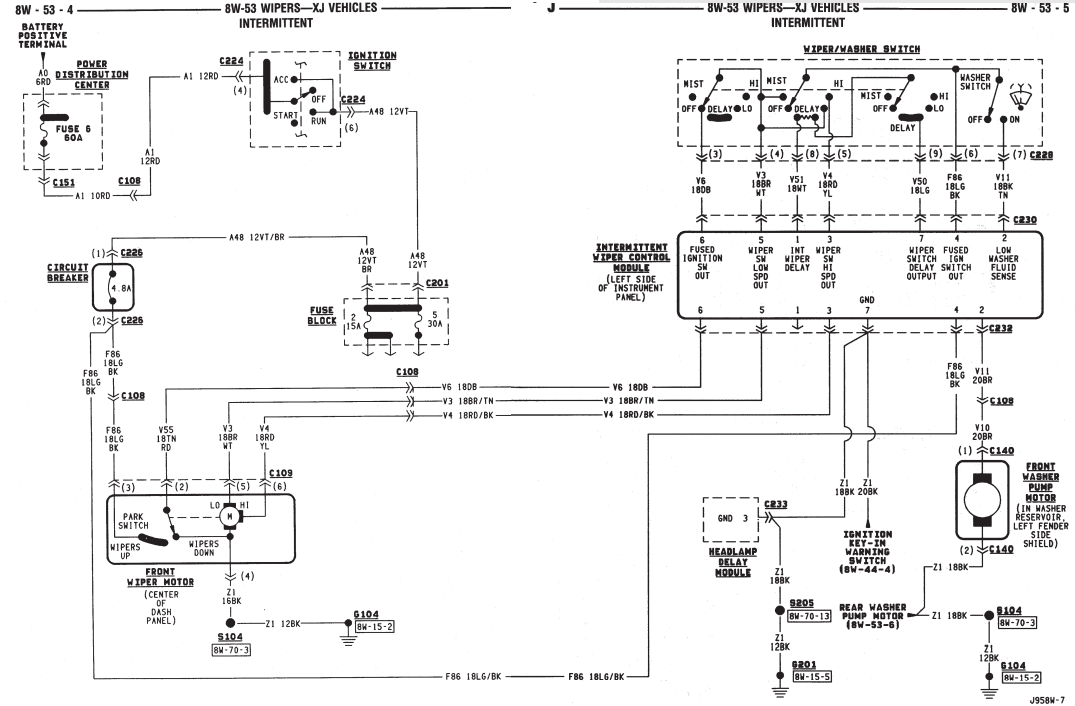
Here's the diagram for the non-intermittent. The diagram for the intermittent was spread across two pages and harder to understand. It just adds the delay position in the switch and the delay box. It's a little convoluted how the park circuit works, as it actually sends power back to the switch to send back down the lo-speed wire when the wipers are up and the switch is in the off position.



Reply
Old Jan 18, 2022 | 05:22 AM
  #6  
AdaMerlock's Avatar
Thread Starter
Newbie
 
Joined: Aug 2021
Posts: 23
Likes: 1
From: Virginia
Year: 1995
Model: Cherokee (XJ)
Engine: 4.0
Default

Originally Posted by lawsoncl
Here's the diagram for the non-intermittent. The diagram for the intermittent was spread across two pages and harder to understand. It just adds the delay position in the switch and the delay box. It's a little convoluted how the park circuit works, as it actually sends power back to the switch to send back down the lo-speed wire when the wipers are up and the switch is in the off position.


Thanks for such a detailed diagram, could you send the delay one aswell? I was searching for about an hour yesterday trying to find one that labelled what wire was high and low. I do know at least some of my issue is the delay box because one of the capacitors was blown. i think your right about going to the motor next, it was really weak in the ice storm so i already know its not perfect. I plan on testing it but Ive preemptively ordered a new one.
Reply
Old Jan 18, 2022 | 09:06 AM
  #7  
lawsoncl's Avatar
CF Veteran
5 Year Member
Liked
Loved
Community Favorite
 
Joined: Dec 2017
Posts: 4,365
Likes: 1,215
Year: 1989
Model: Comanche (MJ)
Engine: 4.0
Default

Spliced the two page together for the intermittent.





Reply
Old Jan 22, 2022 | 03:28 PM
  #8  
AdaMerlock's Avatar
Thread Starter
Newbie
 
Joined: Aug 2021
Posts: 23
Likes: 1
From: Virginia
Year: 1995
Model: Cherokee (XJ)
Engine: 4.0
Default

Update: replaced wiper motor and I gained every function minus intermittents because the delay box has a burnt capacitor. I also snapped both washer nozzles on the cowl but my yard has 2 white xjs so not too bad
Reply
Related Topics
Thread
Thread Starter
Forum
Replies
Last Post
camohunter01
Stock XJ Cherokee Tech. All XJ Non-modified/stock questions go here
18
Apr 21, 2015 06:47 PM
Cowboyformhell
Stock XJ Cherokee Tech. All XJ Non-modified/stock questions go here
6
May 22, 2011 10:17 PM
g19n87r
Stock XJ Cherokee Tech. All XJ Non-modified/stock questions go here
7
Oct 2, 2010 02:41 PM
yorkite
Stock XJ Cherokee Tech. All XJ Non-modified/stock questions go here
1
Jan 18, 2010 11:34 AM
okcjeeper
Stock XJ Cherokee Tech. All XJ Non-modified/stock questions go here
9
Nov 8, 2008 05:14 PM

Currently Active Users Viewing This Thread: 1 (0 members and 1 guests)
 

Thread Tools
Search this Thread

All times are GMT -5. The time now is 06:53 PM.