Aftermarket electrical systems Aftermarket electronics only! stereo head units, CD players, MP3 players, speaker systems, amplifiers, hardmounted GPS devices, computers, headlight upgrades, fog lights, off-road lights, general wiring and anti-theft devices.

Bare Bones Wiring Harness 4.0 Renix

Thread Tools
 
Search this Thread
 
Old Feb 10, 2025 | 02:14 PM
  #1  
pbriz's Avatar
Thread Starter
Newbie
 
Joined: Sep 2024
Posts: 2
Likes: 0
Lightbulb Bare Bones Wiring Harness 4.0 Renix

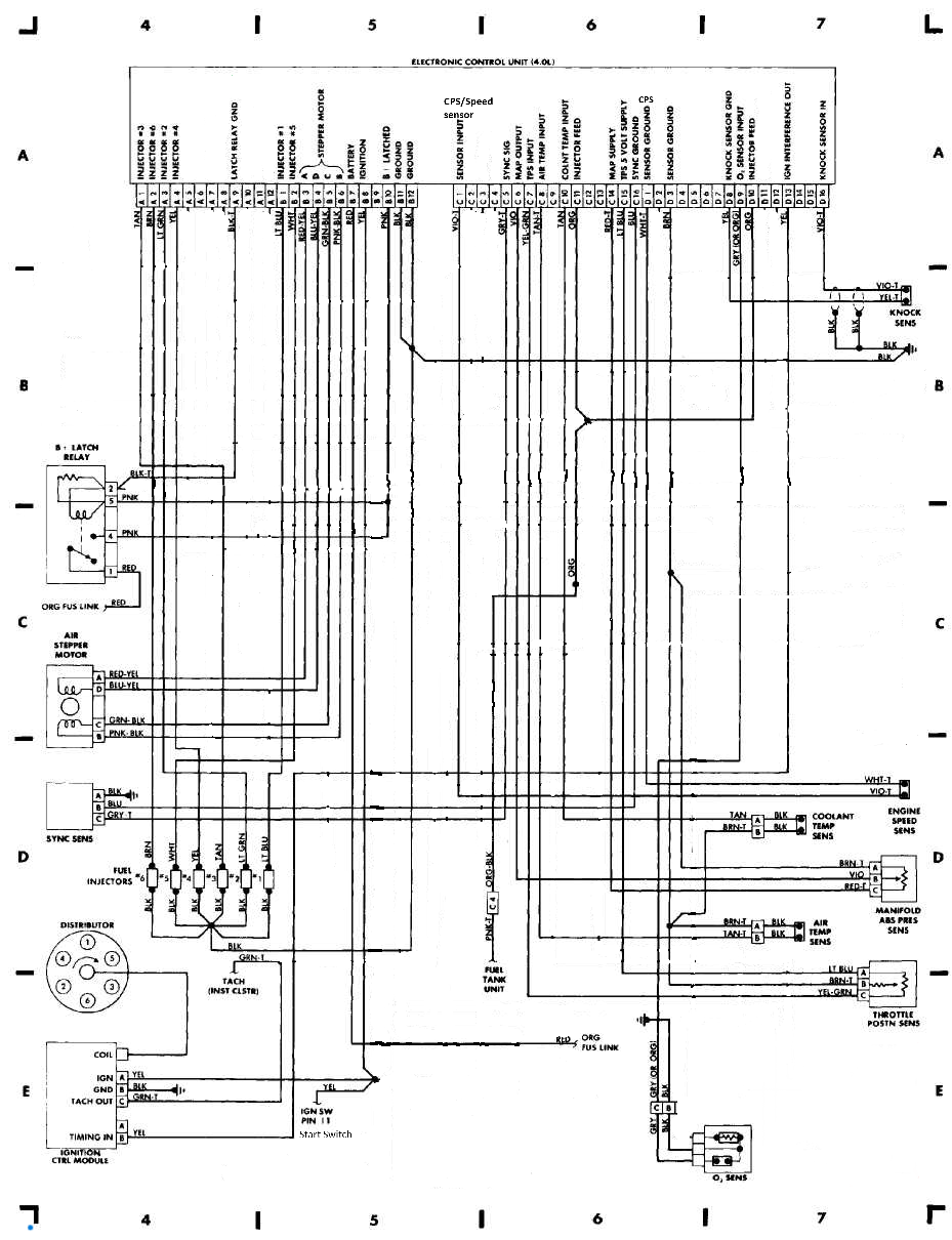
This is my version of BlankDeluxe's minimal wiring harness.
disclaimer: This is for either a manual or an aw4 with a tcu delete.
I started by pulling the whole harness out where I spread everything out into basically a rats nest. Figured out what I needed to keep:
CPS/engine speed sensor
TPS
Cam/sync sensor
MAP
IAT
Injectors 1-6
ASD (B+latch) relay
IAC servo/motor
CTS (In the side of block)
Knock sensor (not critical)
O2 sensor (not critical)
Fuel Pump Relay (moved to a switch)


I then cut out pretty much every unnecessary wire. replaced most of the wiring, make sure to give yourself 6~inches past the plug in case any crimps fail.
I did remove the wiring for the O2 sensor heater because I don't care too much about wether or not that reads correctly.
I included the B+latch relay because from what I've read it is required for the motor to run, but it isn't really connected to anything anymore.
The "start switch" note I added is incorrect. it should be the run switch/ignition power
Starter solanoid is just wired to a button
I will post some more pictures this afternoon or tomrrow when I get everything finalized.

















Edited wiring diagram (Sorry for bad editing
Edited wiring diagram (Sorry for bad editing


Resources:

Custom Minimal Wire Harness - Jeep Cherokee Forum
Renix 4.0 stand alone engine harness | Pirate 4x4
FUEL INJECTION SYSTEM - MULTI-POINT :: 1984 - 1991 :: Jeep Cherokee (XJ) :: Jeep Cherokee :: Online Manual Jeep

Last edited by pbriz; Feb 10, 2025 at 02:15 PM. Reason: adding resources
Reply
Related Topics
Thread
Thread Starter
Forum
Replies
Last Post
bigmouthbass
Stock XJ Cherokee Tech. All XJ Non-modified/stock questions go here
8
Apr 13, 2024 12:34 PM
samj
Stock XJ Cherokee Tech. All XJ Non-modified/stock questions go here
2
May 23, 2013 05:14 PM
jomps
Stock XJ Cherokee Tech. All XJ Non-modified/stock questions go here
1
Aug 7, 2012 12:15 AM
grantman18
Stock XJ Cherokee Tech. All XJ Non-modified/stock questions go here
1
Oct 2, 2011 08:59 AM
Cherokee_Pride
Stock XJ Cherokee Tech. All XJ Non-modified/stock questions go here
1
Apr 20, 2011 05:20 PM

Currently Active Users Viewing This Thread: 1 (0 members and 1 guests)
 



All times are GMT -5. The time now is 08:16 AM.