Modified XJ Cherokee Tech XJ (84-01)
All modified tech questions. If it modifies your XJ beyond stock parts ask it here.
Sponsored by:
Sponsored by:

Aftermarket LED headlights

Thread Tools
 
Search this Thread
 
Old Apr 13, 2020 | 03:27 PM
  #1  
Valpal's Avatar
Thread Starter
Newbie
 
Joined: Aug 2019
Posts: 6
Likes: 0
From: Fort Pierce, FL
Year: 2000
Model: Cherokee (XJ)
Engine: 4.0
Default Aftermarket LED headlights

Installed aftermarket LED headlights and have random like ghost voltage to headlights when the lights are not on. Only when key is on. Between 4-5 volts. Anyone else have this issue?
Reply
Old Apr 13, 2020 | 05:11 PM
  #2  
rzldzl's Avatar
Senior Member
 
Joined: Dec 2012
Posts: 606
Likes: 20
From: cariboo, bc
Model: Cherokee
Default

helps to know what headlights

guessing lower tier chinese copies?
Reply
Old Apr 13, 2020 | 06:06 PM
  #3  
Valpal's Avatar
Thread Starter
Newbie
 
Joined: Aug 2019
Posts: 6
Likes: 0
From: Fort Pierce, FL
Year: 2000
Model: Cherokee (XJ)
Engine: 4.0
Default Ordered from Ebay



Reply
Old Apr 15, 2020 | 12:55 AM
  #4  
Gotyoulooking's Avatar
Junior Member
 
Joined: Oct 2016
Posts: 67
Likes: 5
Model: Cherokee
Default

Originally Posted by Valpal
Installed aftermarket LED headlights and have random like ghost voltage to headlights when the lights are not on. Only when key is on. Between 4-5 volts. Anyone else have this issue?
Did you install an aftermarket headlight harness? I found that when it was connected to the original plug it did have a low voltage feed but once I installed the aftermarket harness it went away.
Reply
Old Apr 15, 2020 | 11:13 AM
  #5  
peteinpeb's Avatar
Junior Member
 
Joined: Apr 2014
Posts: 54
Likes: 6
From: Monterey
Year: 2001
Model: Cherokee (XJ)
Engine: 4.0L
Default

You bought the DRL version of LED headlights. So Daytime Running Lights draw some power to keep the lights on all the time. Our jeeps don't have the option to turn in off on the light ****.
Reply
Old Apr 15, 2020 | 11:37 AM
  #6  
RockyMtn96XJ's Avatar
CF Veteran
5 Year Member
Liked
Loved
Community Favorite
 
Joined: Aug 2019
Posts: 1,467
Likes: 267
From: Littleton, CO
Year: '96
Model: Cherokee (XJ)
Engine: 4.0 HO
Default

So would some extra relays help with the voltage issue? What about the aftermarket wire harness we all use that has the relays with it?

From Cruisers website:

https://www.ebay.com/itm/CERAMIC-H4-...-/330997592807

Reply
Old Apr 15, 2020 | 11:41 AM
  #7  
RockyMtn96XJ's Avatar
CF Veteran
5 Year Member
Liked
Loved
Community Favorite
 
Joined: Aug 2019
Posts: 1,467
Likes: 267
From: Littleton, CO
Year: '96
Model: Cherokee (XJ)
Engine: 4.0 HO
Default

And the DRL are trying to come on, but there isnt enough voltage supplied to them since the XJ doesnt have the DRL option, along with the fact there isn't a constant and even supply of voltage that LEDs like to have. So relays definitely sound like an option. It will make the voltage required to run the headlights come directly from the battery and not have to go through the headlight **** first, then to the headlights, which results in a good amount of voltage drop having to go through the ****.
Reply
Old Apr 15, 2020 | 12:14 PM
  #8  
EvanM's Avatar
CF Veteran
5 Year Member
Liked
Loved
Community Favorite
 
Joined: Aug 2018
Posts: 1,899
Likes: 345
From: Idaho
Year: 89
Model: Cherokee (XJ)
Engine: Peddles
Default

I did the headlight harness upgrade and wired my cheap ebay led lights drl to come on with head light switch.
so far lights are fantastic


Reply
Old Apr 16, 2020 | 09:13 AM
  #9  
NiteDog's Avatar
Newbie
 
Joined: Aug 2011
Posts: 11
Likes: 0
From: Manchester, PA
Year: 99
Model: Cherokee
Engine: 4.0
Default

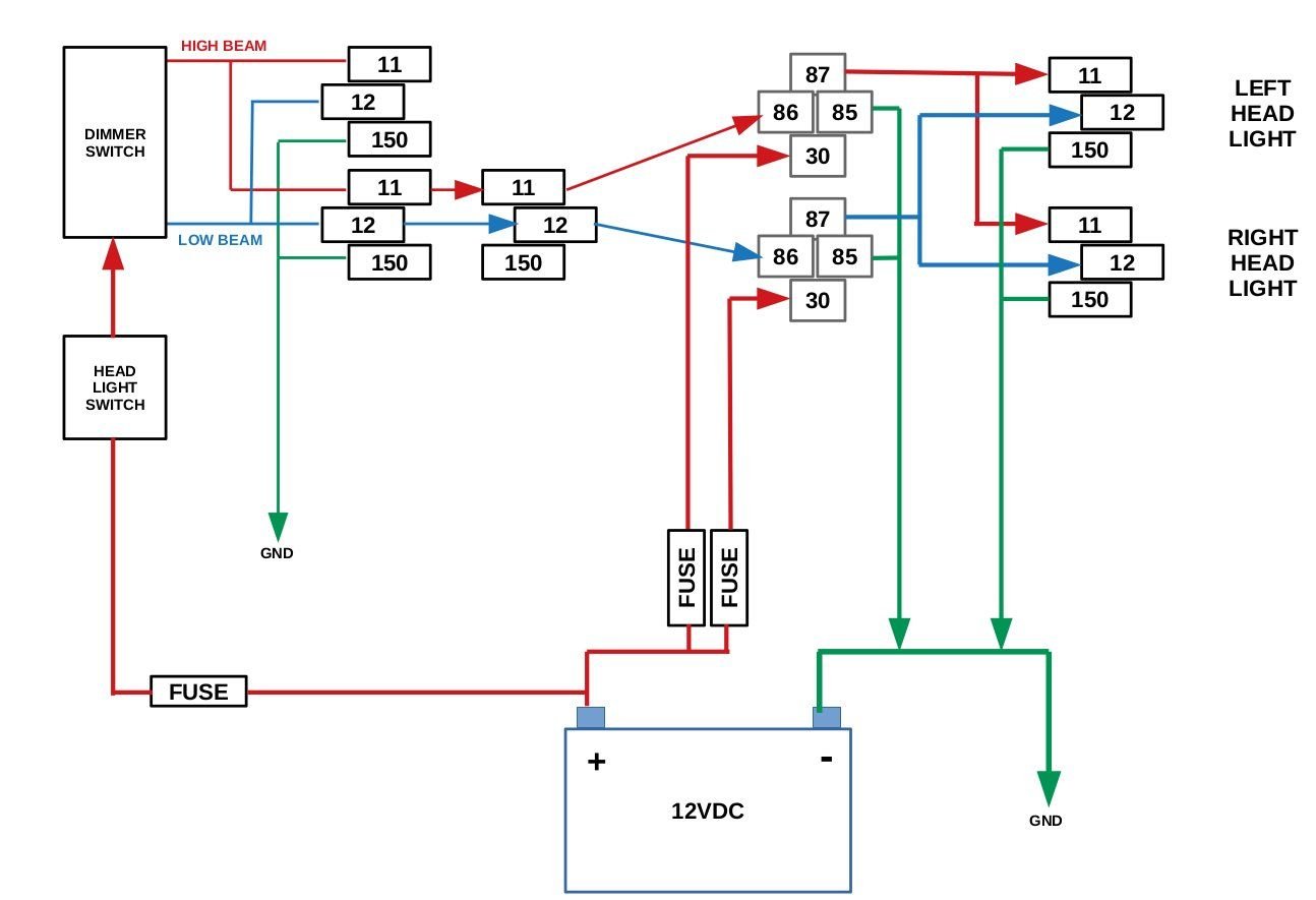
Here is the addon harness to fix the current problem. This one looks to be made in the USA... Ksuspensionfab

I have the parts here to build mine. I am using 14 gauge silicon copper wire for the primary connections an 16
gauge for the relay triggers. Two forty amp auto relays, two inline fuses for the primary feeds to pin 30 on the relays,
I picked up two Dorman headlight extension cable assemblies to use the moulded ends for the headlight connections
and to plug into existing harness for high/low triggers.

Dorman #645-998
Standard auto relays
Inline ATO fuses (values determined by headlight requirement)





Reply
Old Apr 16, 2020 | 11:28 AM
  #10  
EvanM's Avatar
CF Veteran
5 Year Member
Liked
Loved
Community Favorite
 
Joined: Aug 2018
Posts: 1,899
Likes: 345
From: Idaho
Year: 89
Model: Cherokee (XJ)
Engine: Peddles
Default

K suspension is a small shop local to me.
the harness I got from him works well I've also got few other small things things .
small shop good guy I like it.

I wasn't going to run the drl lights but they put out enough light I decided to run them with headlight switch.
Reply
Related Topics
Thread
Thread Starter
Forum
Replies
Last Post
novel24
Aftermarket electrical systems
3
Oct 17, 2019 01:22 PM
Aaron99WhiteXJ
Modified XJ Cherokee Tech
35
Jan 26, 2014 12:53 PM
XJCherokee182
Modified XJ Cherokee Tech
1
Dec 2, 2013 09:50 AM
JerseyJeeper
Cherokee Chat
8
Oct 24, 2012 07:09 PM

Currently Active Users Viewing This Thread: 1 (0 members and 1 guests)
 



All times are GMT -5. The time now is 02:12 AM.