Stock XJ Cherokee Tech. All XJ Non-modified/stock questions go here XJ (84-01)
All OEM related XJ specific tech. Examples, no start, general maintenance or anything that's stock.

Which ground is associated with these error codes...IAC and TPS?

Thread Tools
 
Search this Thread
 
Old Apr 21, 2026 | 08:58 PM
  #1  
bradleyheathhays's Avatar
Thread Starter
Seasoned Member
15 Year Member
Liked
Loved
Community Favorite
 
Joined: Mar 2011
Posts: 349
Likes: 4
From: Lexington, KY
Year: 1996
Model: Cherokee
Engine: 4.0
Default Which ground is associated with these error codes...IAC and TPS?

Hey folks. I've been drilling down on possible causes for my recent hard start and weird idle issues on the old 96er ('96 4.0 Cherokee), and it seems like I'm finally getting some traction. After replacing my throttle position sensor with OEM and cleaning my idle air control valve I'm still having issues, so I hooked up the old OBD reader (even though no CEL is on) and lo and behold I've got 3 codes. Wish I knew this earlier...

P0505 - IAC system malfunction

P0123 - TPS high voltage

P0118 - engine coolant temp high voltage



The chatgpt says all 3 are probably due to a shared electrical issue or sensor reference problem (whatever that is) as opposed to 3 different causes.

It ranks the most likely causes as...

1) bad sensor ground

2) short to voltage on the 5v reference line

3) wiring harness damage near throttle body


I can unwrap and check all the wiring harnesses for wear damage or inline shorts, but I'm not too sure about checking the ground connections at the engine and firewall as chatbot suggests.


Where do I find these connections please? All advice appreciated.
Reply
Old Apr 22, 2026 | 10:34 AM
  #2  
Wrongholefool's Avatar
Seasoned Member
10 Year Member
Liked
 
Joined: Apr 2016
Posts: 327
Likes: 82
From: Pittsburgh
Year: 1999, 1996X3, 1997
Model: Cherokee (XJ)
Engine: 4.0
Default

I would advise to stop using chatgpt, get a factory service manual and troubleshooting guide. Check out www.charm.li
Going through proper diag is better than having some canned response from some clanker.
Reply
Old Apr 22, 2026 | 05:00 PM
  #3  
Dave51's Avatar
CF Veteran
5 Year Member
Liked
 
Joined: Jan 2017
Posts: 3,413
Likes: 399
From: Connecticut
Year: 2000
Model: Cherokee (XJ)
Engine: 4.0
Default

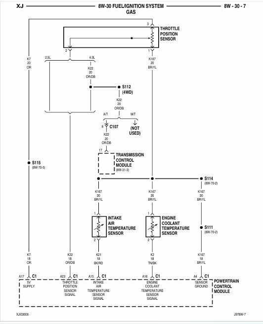
I'm looking at the 1997 schematics. IAC goes to


while TPS and coolant sensor are grounded to the K167 circuit (which basically is the ground for everything else and seems to me you'd have tons of other codes).

I do like the idea that it's something near the throttle body harness.
Reply
Old Apr 22, 2026 | 05:08 PM
  #4  
Dave51's Avatar
CF Veteran
5 Year Member
Liked
 
Joined: Jan 2017
Posts: 3,413
Likes: 399
From: Connecticut
Year: 2000
Model: Cherokee (XJ)
Engine: 4.0
Default

Maybe start out by seeing if the other 2 sensors are getting 5V from PCM:


Reply
Related Topics
Thread
Thread Starter
Forum
Replies
Last Post
Scooterpookin
Stock XJ Cherokee Tech. All XJ Non-modified/stock questions go here
7
Apr 22, 2025 09:06 AM
Rob98cherokee
Stock XJ Cherokee Tech. All XJ Non-modified/stock questions go here
10
Jul 25, 2023 11:45 AM
Mike89JeepXJ
Stock XJ Cherokee Tech. All XJ Non-modified/stock questions go here
2
Aug 2, 2019 08:14 AM
thingfiz
Stock XJ Cherokee Tech. All XJ Non-modified/stock questions go here
8
Oct 31, 2013 10:46 AM
skitter
Stock XJ Cherokee Tech. All XJ Non-modified/stock questions go here
34
Oct 29, 2012 04:15 PM

Currently Active Users Viewing This Thread: 1 (0 members and 1 guests)
 



All times are GMT -5. The time now is 05:48 PM.