Windshield Wiper Problems

Subscribe
Feb 1, 2022 | 02:37 PM
  #1  
Hey All! Took a look at the archive to see if any problems like mine were happening, a few were but nothing that was able to assist my particular problem.

SO, I have a 97' XJ Cherokee 4.0, Auto, 4x4. And I bought it with a windshield wiper problem. The PO said that they would work sometimes (which at this point I don't really believe) but I have owned the vehicle for about 4 months now and they just don't work. So far I have tried and tested the following:
- New Motor (untested but in good shape)
- New Circuit Breaker (tested and good)
- New Wiper/Sprayer Switch (known good switches)
- Test continuity and power to motor (it seems to be there)

At this point I am pretty much at a loss, I have done just about everything save taking apart the steering column. Another strange thing to add, while testing other wiper levers with the motor unplugged, the sprayer started working.. when we plugged it back in... nothing. Which made me think it was the motor. Replaced it, tested it and nothing. Unplugged the motor and what do you know... the sprayer stopped working again. I have one suspicion that maybe, just maybe the switch I reinstalled is still faulty. Gonna try putting in another one again.

In general I am just asking for any other possible ideas before I just break down and take it to an electrician. I have one suspicion, and it's that I seem to have an aftermarket ignition. But Idk if that could cause such a crazy issue. So any help would be greatly appreciated!!
Reply 0
Feb 1, 2022 | 04:12 PM
  #2  
This may not help at all, but since you mentioned the odd washer behavior. My '01 intermittent setting would not work. Tried a new column switch and still not fixed. Troubleshooting from the manual said the switch was the problem. Oh well. Sprayers would work sometimes then quit. I replaced both washer pumps and guess what? My intermittent wiper setting was fixed. I am not great on wiring so I did not dig into why it worked- just happy it did.
Reply 0
Feb 1, 2022 | 04:32 PM
  #3  
NM. Didn't pay enough attention to what year....
Reply 0
Feb 1, 2022 | 04:42 PM
  #4  
@lawsoncl Is there a module under the dash with the 1997+ models? I am pretty sure that the delay module is included with the switch on the column with the newer Cherokees, which is why I went ahead and tested out a new wiper/sprayer lever.
Reply 0
Feb 1, 2022 | 04:54 PM
  #5  
NM.
Reply 0
Feb 1, 2022 | 05:03 PM
  #6  
Doh! You're right, it did get rolled into the column switch in the later years. That the sprayer worked when the motor was unplugged makes me wonder if you've got a bad power or ground connection somewhere.






Reply 0
Feb 1, 2022 | 05:20 PM
  #7  
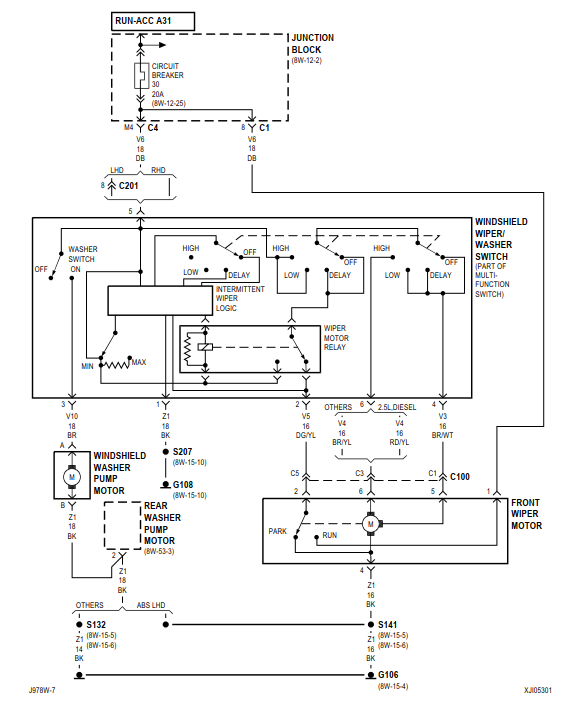
@lawsoncl No worries I appreciate any help! As far as the bad ground goes, I agree -definitely a possibility. I think I am going to try out this other switch I have again and see if that does anything for me. If not, I have heard that the C201 junction box can cause problems with the wipers as well (so hard to get to), so I might try and make sure all the connections are good. It's just all so confusing seeing as the sprayer worked momentarily when the motor was unplugged. After that, I think I might just try taking it in to an electrician. I'll definitely see if I can't find any loose grounds too. But I am sort of just at a loss at this point haha.
Reply 0
Feb 1, 2022 | 05:43 PM
  #8  
The ground connections at the dipstick are a common problem. I'd try back probing the connector at the motor while trying to run it. See if you're getting good voltage on either the BR/YL or BR/WH wires, or if the voltage on the black ground wire rises indicating a grounding issue.
Reply 0
Feb 4, 2022 | 02:07 PM
  #9  
@lawsoncl I will definitely take a look at this!! I would have tried sooner but it snowed about a foot here the other day and I don't have the luxury of a garage so I will have to wait until the weather is nice! I will let you know once I check them!
Reply 0
Feb 13, 2022 | 06:11 PM
  #10  
@lawsoncl Finally got around to taking another in depth look at the Jeep... So... I spent a solid 4 hours reading and monitoring the diagram for the circuit, and I tested all of the grounds that went to the motors. I cleaned them, and I tested them as a good ground to the car. All good there. I went under the dash and followed the wires from the switch, the B/W and the G/Y through the C100 connection -all good there, even took it apart and tested it from switch to connector, and connector to motor. There was continuity. I plugged it all back in and it still had full continuity after messing with it.

I then decided to test the power going to the switch... and found something strange. The voltage running to my DB (power acc) wire were getting very unstable and random voltage. For a moment it would read a steady stable 12 volts, but then it would read 0.5-1.5 and change randomly. I pulled the CB, and it had continuity so I don't think it triggered, just in case it did I put in a spare. Same problem. I tested power to the fuse box before the CB connector, solid 12 volts of power testing to a grounded bolt. I think my issue lies in the connection after the CB to the switch itself.

Even so I had the thought to wonder what the previous owner has done that could have caused the problem. And the owner did install a new stereo and speakers. Coincidentally the DB wire runs very close to the wires in the stereo and speaker I am wondering if possibly the PO spliced or damaged the power wire and it is either grounding out, or is having the power sucked out from the circuit from another device. But either way I feel like the issue has to be in this area. Any thoughts? I don't think the g108 ground is bad because all of my gauges would be going insane as well and they are solid.
Reply 0
Feb 13, 2022 | 06:26 PM
  #11  
Hmmm. Maybe pull the circuit breaker out and stick your meter in place, measuring current? That would tell you if something else was tapped off of it. It's entirely possible the CB is bad too.
Reply 0
Feb 21, 2022 | 11:49 AM
  #12  
@lawsoncl FIXED IT. Well the mechanic did at least. Turned out to be that the C4 connector on the fuse box was not screwed in correctly. It was still somehow able to power most things -just not the wipers. They work like a dream now. I wish I would have thought to check that connection but I am just happy to have them working. Thanks for all of the help and diagrams and such.
Reply 0
Subscribe
Currently Active Users (1)