computer problems? maybe
CF Veteran
Joined: Aug 2010
Posts: 8,357
Likes: 103
From: Canton, MI
Year: 1999
Model: Cherokee
Engine: 4.0
Update: no ABS, tried to connect with the TCM disconnected and still no luck. Wiggled harness and rechecked I get from DLC pin7 to TCM pin 14= 0.08 ohms. It did link up once and then upon successful communication with the jeep it immediately disconnects and tries to sync up again. Am I going to need to throw in the towel and get a new PCM? I just wish one of these tests would fail so I know for sure what the problem is.
The resistance changed from 15 Ohms to .08 Ohms by wiggling the harness. Maybe you should unrap the harness and see if the splice has deteriorated somehow.
Update: a bit of success, I disconnected the battery cables and touched the ends to discharge. Disconnected the TCM reconnected the battery cables and now get p1698. That has brought a giant smile to my face since the scanner is actually communicating now. Until you get a chance to reply I am going to reconnect everything and see if I get a no communication error again.
CF Veteran
Joined: Aug 2010
Posts: 8,357
Likes: 103
From: Canton, MI
Year: 1999
Model: Cherokee
Engine: 4.0
Update: a bit of success, I disconnected the battery cables and touched the ends to discharge. Disconnected the TCM reconnected the battery cables and now get p1698. That has brought a giant smile to my face since the scanner is actually communicating now. Until you get a chance to reply I am going to reconnect everything and see if I get a no communication error again.
Here's P1698 from the "99 FSM:
P1698 - No CCD/J1850 Message From TCM - No CCD/J1850 messages received from the electronic transmission control module (EATX) or the Aisin transmission controller.
P1698 is listed in the 2001 diagnostics manual but it doesn't say how diagnose it other than putting a DRB III tool on it and test it. Cowards. They knew damn well no one has found a cure for 1698 so they just side step it.
I had written a note on the last page of the DTC listing in my '99 FSM concerning 1698 but my hard copy FSM is so ragged and torn up from using it so much that that page is now missing. And, of course, my memory has faded and I can't remember what I wrote. I may have noted how to fix 1698 (?).
Your orignial reading of 15 Ohms in the TCM/DLC circuit may be the issue, and when it dropped to .08 Ohms you had communication, albeit for a short period.
I'll post some diagrams tomorrow if you need them.
Update: I never got a chance to try and duplicate the problem, I got a phone call and 5 min later with no changes it started the same problem again. I decided to go to the movies and leave the jeep so I wouldn't take a match to it. Anyway I am going to try and discharge again and connect with everything hooked up and see if I get some success. Assuming this works what do you think is causing the problem if I am able to disconnect the battery touch the cables for 30 seconds to discharge and get a successful sync?
CF Veteran
Joined: Aug 2010
Posts: 8,357
Likes: 103
From: Canton, MI
Year: 1999
Model: Cherokee
Engine: 4.0
By disconnecting the battery you have cleared the PCM memory. Maybe there's a fault in the PCM that's causing your problem(?).
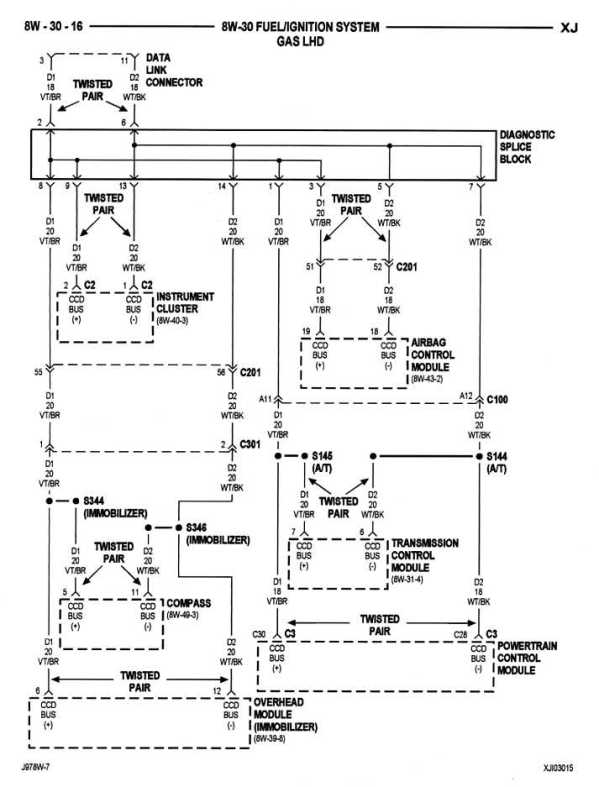
I don't have 1998 FSM diagrams but in '97 the was a Diagnostic Splice Block that was installed between the DLC and all the CCD Bus circuits. Maybe it was carried over to the '98? You can take a look and see if it's there. You'll have to remove the trim panel and knee blocker from under the steering column you see it. It's a Gray connector located above/near the DLC. Below is a diagram of the Splice Block. It doesn't show the SCI Circuits like the '99 diagrams. Below is the '99 SCI diagram.
If you have the Splice Block you would want to check the pins and cavities, and wiggle the harness to see if any changes occur.
"97 CCD Bus:

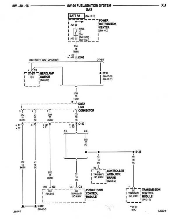
'99 SCI:
I don't have 1998 FSM diagrams but in '97 the was a Diagnostic Splice Block that was installed between the DLC and all the CCD Bus circuits. Maybe it was carried over to the '98? You can take a look and see if it's there. You'll have to remove the trim panel and knee blocker from under the steering column you see it. It's a Gray connector located above/near the DLC. Below is a diagram of the Splice Block. It doesn't show the SCI Circuits like the '99 diagrams. Below is the '99 SCI diagram.
If you have the Splice Block you would want to check the pins and cavities, and wiggle the harness to see if any changes occur.
"97 CCD Bus:

'99 SCI:
Update: SUCCESS
tried a few of the trouble shooting steps posted here and a few other forums and here is step by step what I did to finally make it work.
1. Discharge everything (disconnect battery and touch pos and neg for 30 seconds)
2. Disconnect TCM and hook up scanner and turn key to on.
3. Successful communication with scanner but after a few minutes it would drop and give me the same problem.
4. Realized I never tried to reconnect the TCM and try discharge with computer inline. So back to step 1 and 2 once successful I unplugged scanner and reconnected TCM and discharged again.
5. With the PCM cleared and the TCM connected and a "fresh" test I was successful and was able to reconnect to the scanner everytime.
Thanks to ken for teaching more about the obd2 and bus circuits I ever wanted to know. Got a smog this morning and the rebuild yielded a smog cert new tags and a clean burning jeep!!!!
P.S. somewhere in this whole process I did also check all the splices and they were good.
1. Discharge everything (disconnect battery and touch pos and neg for 30 seconds)
2. Disconnect TCM and hook up scanner and turn key to on.
3. Successful communication with scanner but after a few minutes it would drop and give me the same problem.
4. Realized I never tried to reconnect the TCM and try discharge with computer inline. So back to step 1 and 2 once successful I unplugged scanner and reconnected TCM and discharged again.
5. With the PCM cleared and the TCM connected and a "fresh" test I was successful and was able to reconnect to the scanner everytime.
Thanks to ken for teaching more about the obd2 and bus circuits I ever wanted to know. Got a smog this morning and the rebuild yielded a smog cert new tags and a clean burning jeep!!!!
P.S. somewhere in this whole process I did also check all the splices and they were good.
Thread
Thread Starter
Forum
Replies
Last Post
jmarzo
Stock XJ Cherokee Tech. All XJ Non-modified/stock questions go here
16
Oct 18, 2022 04:11 PM
Psiegrist1
Stock XJ Cherokee Tech. All XJ Non-modified/stock questions go here
34
Mar 17, 2022 02:15 PM
Jeepy11
Stock Grand Cherokee Tech. All ZJ/WJ/WK Non-modified/stock questions go here!
2
Sep 3, 2015 09:32 AM
Currently Active Users Viewing This Thread: 1 (0 members and 1 guests)



