Stock XJ Cherokee Tech. All XJ Non-modified/stock questions go here XJ (84-01)
All OEM related XJ specific tech. Examples, no start, general maintenance or anything that's stock.

Whereis all the technical help at. Is my issue really that complicated?

Thread Tools
 
Search this Thread
 
Old Dec 8, 2019 | 09:27 PM
  #1  
Justine96xj's Avatar
Thread Starter
Junior Member
 
Joined: Nov 2019
Posts: 82
Likes: 10
From: Jim Thorpe PA
Year: 1996
Model: Cherokee (XJ)
Engine: 6 cylinder
Default Whereis all the technical help at. Is my issue really that complicated?

350k miles! My baby!

Ive posted here on another thread but got no help.
I will do anything to keep this jeep forever. Its been purfect for the 13 years I had it. My dad got it brand new in 1998, then I purchased it from him in 2007 with 245k miles, now 346k. We both had ABSOLUTELY no problems with this jeep. We both took very good care. We always used mobile 1 senthetic . This engine and transmission are incredible. Does not burn not one drop of oil. Tranny shifts extremely smooth, never problems. Was garaged kept untill 2015 when I had to park it for 18 months at my moms. I was away and when I returned to get it back on road, she had it parked in grass next to a creek.
needless to say. Now i have rust problems.
Very unfortunate Since she had unused garage, i was so upset.

Anyways. Ive been posting on forums like this and I dont understand why Im not really getting responses. Only One fellow on another very popular jeep forum knew exactly what to fix. But I havnt spoke to him in a while and im so close to finding the main issue... all I know is its something i gotta do myself. I have no choice. Most garages I went to do not wanto work on it. And the ones that would have no clue.
. Ill try to make this long story as short as possible and to the point.
ok, one night I pulled my light switch **** to turn on my lights and the entire **** completely pulled out and there was like a nice size spark. Ok no headlights, called AAA.
next day, i got new light switch from auto zone. Installed it but It wouldnt work right, i can only get my parking lights on. Figuring switch was faulty, i took it back , got another , did same thing. BUT this time I forgot to unllug battery and I ended blowing the headlamp fuse, the one inside hood. Ok ..once I replaced that and got my lights working and switch working..
Thats when very strange things began to happen...
Once I replaced fuse I blown...My engine light is now on...and no reverse lights and my jeep refuses to shift into OD.
ok...i did research...Found out it could be NSS because reverse lights are out. Ok so b4 i decide to get a new NSS, i wanna clean it and beable to get code to find out exactly whats wrong. Cleaned it, it looked perfectly fine so i put it back on.
i go to autozone to get it hooked up to code DLC And it cant communicate. I even tried getting code manually by holding in OD and turning key on..no errors.
so the fellow on this other forum told me that DLC gets its power from........THE LIGHT SWITCH. Ahhh.

Getting somewhere now. So i tested the DLC and found out theres no voltage. So. I get a jumper wire, splice a corner of power wire from light switch and jump it to the port. Now it shows it has power now..! So im like YAY! I CAN GO BACK to autozone and finally get a darn code. Well..even though i got power to it...still cant communicate..BUT im happy to report My OveRdrive works now... but ONLY when MY jumper wire connected its .. and when it is. All.my dashboard gauges stop working...
Still no reverse lights.
ok..wtf
i just found out today that if i start jeep before connecting my jumper from light switch to DLC, my dash actually will work but only my gas,oil,temp, battery gauges. Not tank/ speedometer.
so I almost have this fixed. Was so worried about my tranny. So me thinks that since jumping power from light switch directly to that port I must be bypassing something..maybe fuse. Or. Relay?
in meantime, im not messing with it untill I find someone to give me more guidance.
I would appreciate if anyone has ideas of what I need to do or fix or buy now
Thanks
Justine



Last edited by Justine96xj; Dec 8, 2019 at 11:12 PM.
Reply
Old Dec 8, 2019 | 09:59 PM
  #2  
Justine96xj's Avatar
Thread Starter
Junior Member
 
Joined: Nov 2019
Posts: 82
Likes: 10
From: Jim Thorpe PA
Year: 1996
Model: Cherokee (XJ)
Engine: 6 cylinder
Default Whereis all the technical help at. Is my issue really that complicated?



350k miles! My baby!

Ive posted here on another thread but got no help.
I will do anything to keep this jeep forever. Its been purfect for the 13 years I had it. My dad got it brand new in 1998, then I purchased it from him in 2007 with 245k miles, now 346k. We both had ABSOLUTELY no problems with this jeep. We both took very good care. We always used mobile 1 senthetic . This engine and transmission are incredible. Does not burn not one drop of oil. Tranny shifts extremely smooth, never problems. Was garaged kept untill 2015 when I had to park it for 18 months at my moms. I was away and when I returned to get it back on road, she had it parked in grass next to a creek.
needless to say. Now i have rust problems.
Very unfortunate Since she had unused garage, i was so upset.
​​​​​​​
Anyways. Ive been posting on forums like this and I dont understand why Im not really getting responses. Only One fellow on another very popular jeep forum knew exactly what to fix. But I havnt spoke to him in a while and im so close to finding the main issue... all I know is its something i gotta do myself. I have no choice. Most garages I went to do not wanto work on it. And the ones that would have no clue.
. Ill try to make this long story as short as possible and to the point.
ok, one night I pulled my light switch **** to turn on my lights and the entire **** completely pulled out and there was like a nice size spark. Ok no headlights, called AAA.
next day, i got new light switch from auto zone. Installed it but It wouldnt work right, i can only get my parking lights on. Figuring switch was faulty, i took it back , got another , did same thing. BUT this time I forgot to unllug battery and I ended blowing the headlamp fuse, the one inside hood. Ok ..once I replaced that and got my lights working and switch working..
Thats when very strange things began to happen...
Once I replaced fuse I blown...My engine light is now on...and no reverse lights and my jeep refuses to shift into OD.
ok...i did research...Found out it could be NSS because reverse lights are out. Ok so b4 i decide to get a new NSS, i wanna clean it and beable to get code to find out exactly whats wrong. Cleaned it, it looked perfectly fine so i put it back on.
i go to autozone to get it hooked up to code reader thing . And it cant communicate. I even tried getting code manually by holding in OD and turning key on..no errors.
so the fellow on this other forum told me that that port where the code reader plugs into, gets its power from........THE LIGHT SWITCH. Ahhh.

Getting somewhere now. So i tested the port, and found out theres no voltage. So. I get a jumper wire, splice a corner of power wire from light switch and jump it to the port. Now it shows it has power now..! So im like YAY! I CAN GO BACK to autozone and finally get a darn code. Well..even though i got power to it...still cant communicate..BUT im happy to report My OveRdrive works now... but ONLY when MY jumper wire connected its .. and when it is. All.my dashboard gauges stop working...
Still no reverse lights.
ok..wtf
i just found out today that if i start jeep before connecting my jumper wire, my dash actually will work but only my gas,oil,temp, battery gauges. Not tank/ speedometer.
so I almost have this fixed. Was so worried about my tranny. So me thinks that since jumping power from light switch directly to that port ( what's it called obd2?) I must be bypassing something..maybe fuse. Or. Relay?
in meantime, im not messing with it untill I find someone to give me more guidance.
I would appreciate if anyone has ideas of what I need to do or fix or buy now
Thanks
Justine


Reply
Old Dec 8, 2019 | 10:12 PM
  #3  
downs's Avatar
CF Veteran
 
Joined: Oct 2018
Posts: 1,096
Likes: 166
From: Hunt County Texas
Year: 1995
Model: Cherokee (XJ)
Engine: 4.0L
Default

I don't even know where to start on that man. Sounds like an electrical nightmare. That's probably why you haven't got a lot of folks to respond.
Reply
Old Dec 9, 2019 | 12:33 AM
  #4  
Noah911's Avatar
Banned
 
Joined: Feb 2019
Posts: 1,359
Likes: 169
From: NC
Year: 2004
Model: Grand Cherokee (WJ)
Engine: 4.0
Default

I read through your post quickly. It's late for me today and I am kind of tired tonight. I still felt like responding. I'm just going off memory of how how vehicles may generally be wired is all too, and not exactly for a Jeep.

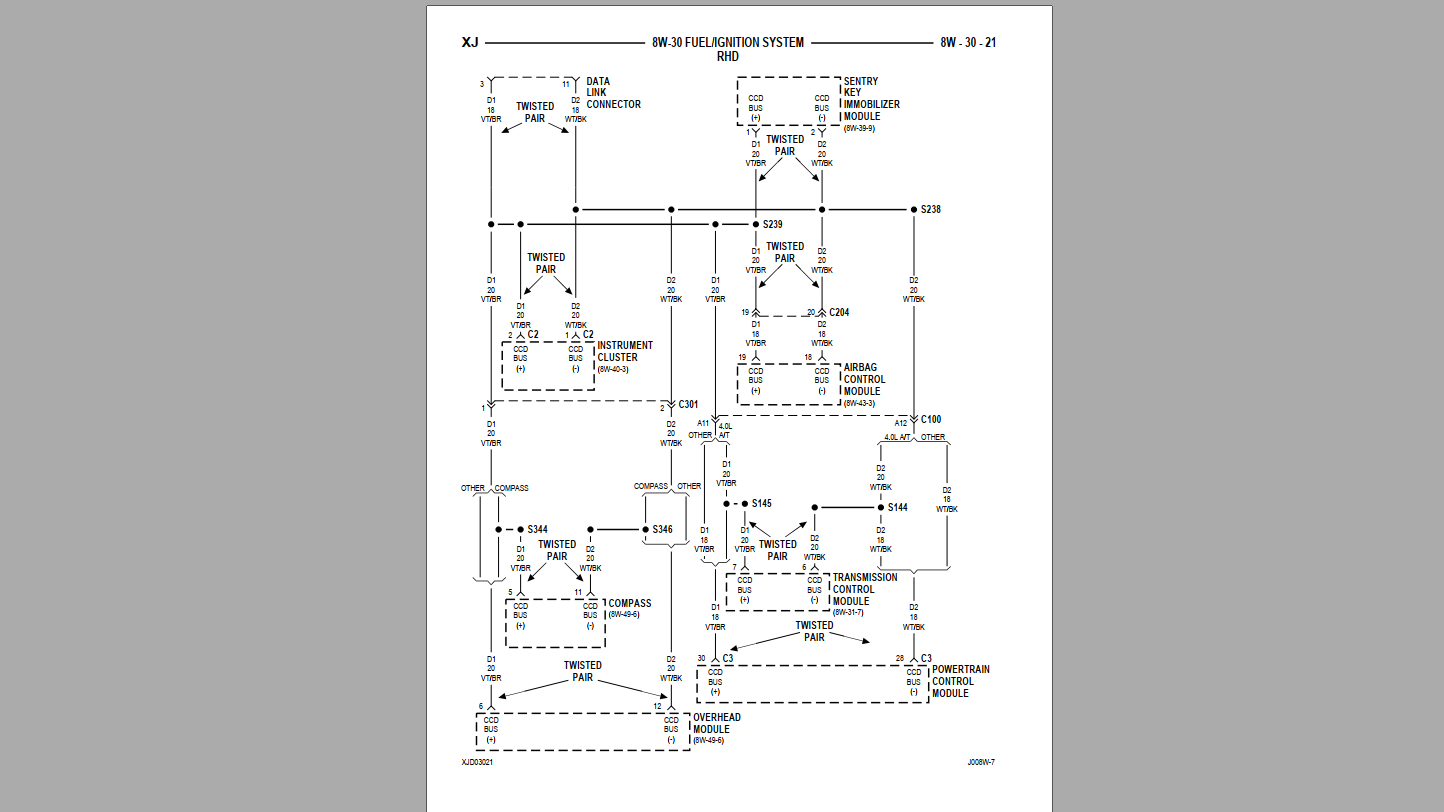
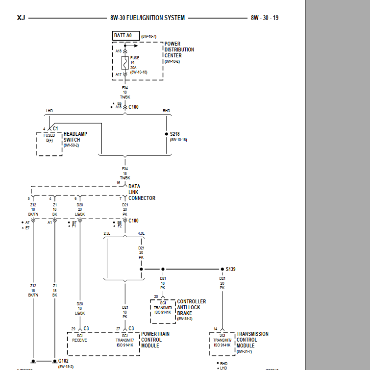
The headlights switch is often used as a throughput to supply power for many other things outside of what you have already discovered with the jumpering you are doing to the data port.

You could find a headlight switch pinout.. but typically there will be;

Battery feed
Tail lamps
Dash
Parking lamps
Headlamps
Brake switch (this links to the OD through TCM too..)
Courtesy Lamps

Many of these things are what you have been seeing as problems. I would advise to track through all of this circuitry. Trace all of their wires to be looking to find faults.

Also, find out why the power stops, and it is not being fed to the data port, and fix it proper... Doing this to fix what you are knowing to already be wrong. It could, and has the potential to possibly help with the others?

Reply
Old Dec 9, 2019 | 12:52 AM
  #5  
peligro113's Avatar
Senior Member
10 Year Member
 
Joined: Feb 2015
Posts: 514
Likes: 15
From: South Georgia
Year: 1996
Model: Cherokee(XJ)
Engine: 4.0l
Default

Check fuse 19 in the power distribution center under the hood it's a 20 amp fuse that power all of the things you are having issues with.











Last edited by peligro113; Dec 9, 2019 at 02:21 AM.
Reply
Old Dec 9, 2019 | 12:57 AM
  #6  
Justine96xj's Avatar
Thread Starter
Junior Member
 
Joined: Nov 2019
Posts: 82
Likes: 10
From: Jim Thorpe PA
Year: 1996
Model: Cherokee (XJ)
Engine: 6 cylinder
Default

Originally Posted by Noah911
I read through your post quickly. It's late for me today and I am kind of tired tonight. I still felt like responding. I'm just going off memory of how how vehicles may generally be wired is all too, and not exactly for a Jeep.

The headlights switch is often used as a throughput to supply power for many other things outside of what you have already discovered with the jumpering you are doing to the data port.

You could find a headlight switch pinout.. but typically there will be;

Battery feed
Tail lamps
Dash
Parking lamps
Headlamps
Brake switch (this links to the OD through TCM too..)
Courtesy Lamps

Many of these things are what you have been seeing as problems. I would advise to track through all of this circuitry. Trace all of their wires to be looking to find faults.

Also, find out why the power stops, and it is not being fed to the data port, and fix it proper... Doing this to fix what you are knowing to already be wrong. It could, and has the potential to possibly help with the others?
I thank you so much for replying this late..ahh err early lol. I totally agre . I dont feel right driving around when its not right, even though I got my overdrive back with my rigged jumper. I think I just gotta get the DLC to work properly so I can find out exactly whats wrong..but.. the problem may lie with the DLC itself. I tottaly took apart my dash and was under there looking for anything wrong, especially a fuse, but according to this old manual I got...it talks about the maney things the pcm monitors, including Overdrive swith, NSS...my reverse lights are out which has something to do with NSS..also my tachometer...things that are problems as you said..if i was able yo clear the pcm without resolving the main base issue...? Therea also a circuit breaker that can be reset. Im still reading about that now in my manual. But im getting tired as well and about to give up for awhile...but...ive thoight allot about this...i can fix anything but wireing, even though i took courses in electronics way way back in 1999 lol. But i keep going back to when
i blew headlight fuse while installing the headlight switch ....that's when the engine light came on. so something happened at that moment, either maybe relay, fuse or I honestly think the DLC maybe damaged hense still cant communicate. Im not one that has money to go buy a bunch of stuff for trouble shooting.
So yea It may be best to focus on why the DLC stopped getting voltage to begin with...but how do I do that when I have no way of getting any codes lol

I didnt even know i had no backup lights till someone asked me awhile back. Then never elaborated on that any further lol
thanks again
Justine
Reply
Old Dec 9, 2019 | 01:02 AM
  #7  
Justine96xj's Avatar
Thread Starter
Junior Member
 
Joined: Nov 2019
Posts: 82
Likes: 10
From: Jim Thorpe PA
Year: 1996
Model: Cherokee (XJ)
Engine: 6 cylinder
Default

Originally Posted by peligro113
Check fuse 19 in the power distribution center under the hood it's a 20 amp fuse that power all of the things you are having issues with.
Thanks so much! Yea ive checked that maney times. Ive checked every single fuse i can find multiple times. It has been awhile tho, ill recheck it again tomorrow..
Thx
Justine
Reply
Old Dec 9, 2019 | 02:29 AM
  #8  
peligro113's Avatar
Senior Member
10 Year Member
 
Joined: Feb 2015
Posts: 514
Likes: 15
From: South Georgia
Year: 1996
Model: Cherokee(XJ)
Engine: 4.0l
Default

I know that you said that you have checked fuses under the hood but did you also check the fuses in the junction box in the passenger compartment? This sounds like the problems a blown fuse or shorted wire or wires would cause. Take a close look at the headlamp switch connector and wiring. The connector tends to overheat which will deform the pin cavities so even though the connector is plugged into the headlamp switch one of the pins might not be making a connection. This all started when the headlamp switch broke so the issue will more than likely be the headlamp switch connector or the wiring associated with it. If that headlamp connector looks okay trace the TN/BK wire from the headlamp switch connector to the DLC, look for burnt or melted wire coating or a broken wire.

Another thing to check is every connector you disconnected to get to the headlamp switch, one might not be seated correctly.





Last edited by peligro113; Dec 9, 2019 at 05:45 AM.
Reply
Old Dec 9, 2019 | 05:44 AM
  #9  
Justine96xj's Avatar
Thread Starter
Junior Member
 
Joined: Nov 2019
Posts: 82
Likes: 10
From: Jim Thorpe PA
Year: 1996
Model: Cherokee (XJ)
Engine: 6 cylinder
Default

Originally Posted by peligro113
I know that you said that you have checked fuses under the hood but did you also check the fuses in the junction box in the passenger compartment? This sounds like the problems a blown fuse or shorted wire or wires would cause. Take a close look at the headlamp switch connector and wiring. The connector tends to overheat which will deform the pin cavities so even though the connector is plugged into the headlamp switch one of the pins might not be making a connection. This all started when the headlamp switch broke so the issue will more than likely be the headlamp switch connector or the wiring associated with it. If that headlamp connector looks okay trace the TN/BK wire from the headlamp switch connector to the DLC, look for burnt or melted wire coating or a broken wire.

Another thing to check is connector C100 at the left side firewall and make sure that the connector is seated. There are more things to check but start with these.




yeah thx so much...well the problem didnt start untill i burnt the headlight fuse while installing my 3rd new headlight switch while battery was still plugged in. I did drive the jeep and everything was fine while i had the other 2 new headlight switches in, but i took them all back thinking they were faulty because i had hard time getting my lights on. Wierd thing is. All 3 new switches did the same thing...but yea. I did check the headlight switch connector to DLC for voltages and the wireing looked ok to me.
Bte tho, the 3rd headlight switch suddenly started working properly a week aftee all this happened..but it didnt change anything as far as my OD and stuff. This is so strange...something gotta be burnt out....somewhere. what do you think about the replays under hood...how can I check those to see if there ok?
and yes checked all fuses 10000x lol inside door jam. The #20 fuse ill recheck today again..thanks much
Justine
Reply
Old Dec 9, 2019 | 05:46 AM
  #10  
Justine96xj's Avatar
Thread Starter
Junior Member
 
Joined: Nov 2019
Posts: 82
Likes: 10
From: Jim Thorpe PA
Year: 1996
Model: Cherokee (XJ)
Engine: 6 cylinder
Default

I did do a ton of this as per my other thread with that nice fellow that got me this far...if anyone would like to brifly go through that thread, maybe it might lead to something i missed, not sure how to paste link to it here.
Reply
Old Dec 9, 2019 | 06:23 AM
  #11  
peligro113's Avatar
Senior Member
10 Year Member
 
Joined: Feb 2015
Posts: 514
Likes: 15
From: South Georgia
Year: 1996
Model: Cherokee(XJ)
Engine: 4.0l
Default

Originally Posted by Justy98cherokeeAWD
yeah thx so much...well the problem didnt start untill i burnt the headlight fuse while installing my 3rd new headlight switch while battery was still plugged in. I did drive the jeep and everything was fine while i had the other 2 new headlight switches in, but i took them all back thinking they were faulty because i had hard time getting my lights on. Wierd thing is. All 3 new switches did the same thing...but yea. I did check the headlight switch connector to DLC for voltages and the wireing looked ok to me.
Bte tho, the 3rd headlight switch suddenly started working properly a week aftee all this happened..but it didnt change anything as far as my OD and stuff. This is so strange...something gotta be burnt out....somewhere. what do you think about the replays under hood...how can I check those to see if there ok?
and yes checked all fuses 10000x lol inside door jam. The #20 fuse ill recheck today again..thanks much
Justine
Everything was working until the switch sparked, to me this seems like shorted wires, loose connector, or a Bus issue. It is not relay related. Does your odometer work? Did it ever flash a Bus error? Can you post a video of your symptoms?
Reply
Old Dec 9, 2019 | 06:27 AM
  #12  
Noah911's Avatar
Banned
 
Joined: Feb 2019
Posts: 1,359
Likes: 169
From: NC
Year: 2004
Model: Grand Cherokee (WJ)
Engine: 4.0
Default

Start with the power feed line to the DLC. You know it has a problem. There is no power feeding it.

Whatever pin you have jumpered to on the DLC. Find this wire color and a diagram for it. See where all it goes? Maybe the diagram will lead you to some fuse or relay like you are wondering? The diagram would lead you right to it if there were...

Physically trace this same wire from the DLC with a voltmeter. To find the spot where the power stops. Finding electrical faults like this one is all about locating the point at which the power stops. Wherever that is? There is no power going to the DLC, so find out why..

With your issues. I would find a pinout of your PCM. Probe and test to see what this is able to tell you. Maybe you fried a circuit or two in your PCM? I do not usually recommend going after PCMs right away, but it is a suspect in your case. It is better to start looking at it now, and see if there is anything wrong at its pinout location early on...
Reply
Old Dec 9, 2019 | 06:46 AM
  #13  
Justine96xj's Avatar
Thread Starter
Junior Member
 
Joined: Nov 2019
Posts: 82
Likes: 10
From: Jim Thorpe PA
Year: 1996
Model: Cherokee (XJ)
Engine: 6 cylinder
Default

Originally Posted by peligro113
Everything was working until the switch sparked, to me this seems like shorted wires, loose connector, or a Bus issue. It is not relay related. Does your odometer work? Did it ever flash a Bus error? Can you post a video of your symptoms?
not correct. Everything was fine after the switch sparked. It wasn't untill i replaced the switch without disconnecting battey and blew the headlight fuse under hood. Once i replaced that fuse and got back in my jeep to start it is when the engine light came on. Thats when i lost my back up lights, OD. I drove my jeep without headlights for a week after the switch broke and sparked and all was normal. No engine light. Everything fine...nightmare began when idiot me forgot to disconnect damn battey

yes my odometer works. I tried to do manual diagnostics by holding odometer as i turn key on. It goes from 000000-999999. But never gives me any codes or errors...so damn strange im going nuts lol
Reply
Old Dec 9, 2019 | 06:49 AM
  #14  
Justine96xj's Avatar
Thread Starter
Junior Member
 
Joined: Nov 2019
Posts: 82
Likes: 10
From: Jim Thorpe PA
Year: 1996
Model: Cherokee (XJ)
Engine: 6 cylinder
Default

Originally Posted by Noah911
Start with the power feed line to the DLC. You know it has a problem. There is no power feeding it.

Whatever pin you have jumpered to on the DLC. Find this wire color and a diagram for it. See where all it goes? Maybe the diagram will lead you to some fuse or relay like you are wondering? The diagram would lead you right to it if there were...

Physically trace this same wire from the DLC with a voltmeter. To find the spot where the power stops. Finding electrical faults like this one is all about locating the point at which the power stops. Wherever that is? There is no power going to the DLC, so find out why..

With your issues. I would find a pinout of your PCM. Probe and test to see what this is able to tell you. Maybe you fried a circuit or two in your PCM? I do not usually recommend going after PCMs right away, but it is a suspect in your case. It is better to start looking at it now, and see if there is anything wrong at its pinout location early on...
yea i tottaly agree, im confused about what you mean about pmc pinout location?
according to my old repair manual, i agree thats suspect as well
Reply
Old Dec 9, 2019 | 07:12 AM
  #15  
Noah911's Avatar
Banned
 
Joined: Feb 2019
Posts: 1,359
Likes: 169
From: NC
Year: 2004
Model: Grand Cherokee (WJ)
Engine: 4.0
Default

The power supply feed coming from your PCM to energize something, or one of its ground supply feeds may not be operating? This could cause certain components to shut down, or to not operate correctly? This could result in eliminating certain distal circuits to them to also no longer function. Something like that...

Basically, find out what should be the voltages and resistance readings for at all of the different pins at your PCM, and test them with a voltmeter to see if any of them has a fault.. by you not being able to get correct readings on the meter when you check them.

Also, it may be used as a diagnostics hub of sorts too. Your DLC doesn't no longer do it for you. So, go elsewhere for obtaining that information in another way.

Pull the connector off the PCM. Check the feed outs and ins from the PCM side of the connector having one voltmeter lead hooked up to that side. Hook the other meter lead up to the corresponding other wiring harness side to see how the wiring is doing. Look for abnormal resistance readings (zero readings and infinites).. Seeing these on the meter will tell you which wire(s) may be open or shorted out. Looking for voltages where appropriate from at the PCM pins will tell you if grounds or power supply's have gone down and been lost, when you are checking voltages for those readings.

You have to know the correct values you should be seeing. So, you need to reference this information from official sources, and check them.

Last edited by Noah911; Dec 9, 2019 at 07:19 AM.
Reply



All times are GMT -5. The time now is 08:34 AM.