Stock XJ Cherokee Tech. All XJ Non-modified/stock questions go here XJ (84-01)
All OEM related XJ specific tech. Examples, no start, general maintenance or anything that's stock.

P0122 Code. TPS Good

Thread Tools
 
Search this Thread
 
Old Jun 19, 2022 | 07:39 AM
  #1  
mattheww97's Avatar
Thread Starter
Member
10 Year Member
 
Joined: Sep 2014
Posts: 127
Likes: 6
Year: 2001
Model: Cherokee
Engine: 4.0
Default P0122 Code. TPS Good

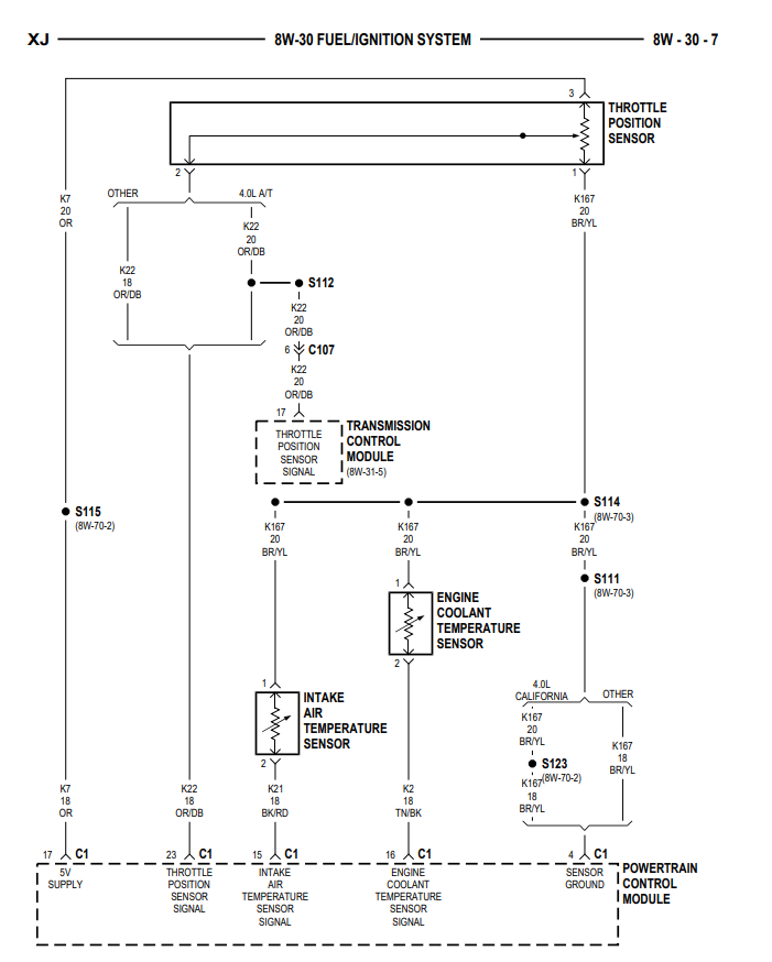
Last year I created a thread trying to chase down a P0122 code. I thought I solved it, but shortly after the code came back. Now, I'm trying again, and wanted to see if anyone had an ideas. The Jeep has sluggish acceleration, and frequently stalls (and is sometimes difficult to start back up) due to this issue.
Firstly: I know the TPS is good because I have 3 of them. One of them came directly off of a running/driving Jeep with no codes. I tested all 3 of them (using the FSM) method, and all 3 checked out.
the
Secondly (most importantly): My electrical testing gave me a big break in the case. Line "K22" (the orange and brown cable), which sends signal to the PCM, is supposed to raise/lower in voltage as you push / let go of the throttle. All 3 TPS sensors do this within specification; however, the output voltage will randomly drop for about half a second. (even without touching the throttle).

With 3 different sensors, all doing the same thing, and the fact that the problem is so intermittent, leads me to believe the wire is shorted. I cleaned ALL my grounds, cleaned my battery terminals, and visually inspected the harness and related wires but nothing was visiablly broken. I even bought a new wire harness for the TPS, with no change.

My first plan was to check for continuity from the orange brown wire, to the C107 connector, and the from C107 to the PCM to try to pinpoint the broken wire. This might be helpful, but if the wire is intermittenley shorting, it will be difficult to find.
My other (lazier) idea is to just run my own (new) wire for the output signal.

What are your thoughts? Any suggestions? At this point, I highly doubt buying a 4th TPS will resolve my issue. The parts cannon is out of gunpowder.

Reply
Old Jun 19, 2022 | 11:29 AM
  #2  
fb97xj1's Avatar
CF Veteran
 
Joined: Dec 2015
Posts: 3,038
Likes: 338
From: PA
Year: 1997
Model: Cherokee
Engine: 4.0L
Default

Try a Mopar TPS if you havent already. Aftermarket anything these days is questionable.
Reply
Old Jun 19, 2022 | 12:23 PM
  #3  
lawsoncl's Avatar
CF Veteran
5 Year Member
Liked
Loved
Community Favorite
 
Joined: Dec 2017
Posts: 4,365
Likes: 1,215
Year: 1989
Model: Comanche (MJ)
Engine: 4.0
Default

It's the output of the TPS that seems to drop, and not the +5-volts to it? If it's the +5-volts, there are lots of places that might be getting shorted including other sensors. If it's just the signal from the TPS, I'd suspect the TPS right away but you're already swapped that a few times. It could be wires internally frayed in the harness, and shaking the harness might trigger it. Remotely possible that it's the ECM or TCU shorting it to ground too.
Reply
Old Jul 22, 2023 | 10:38 PM
  #4  
jmlight10's Avatar
Newbie
 
Joined: Jul 2023
Posts: 4
Likes: 0
Default Same Issue

Sorry to revive an old thread, but did you happen to solve the problem? I am getting the same code with the same exact problems. TPS reads fine on scan tool, but p0700 is occurring and causing p0122 within the TCM. I don't want to buy a new TPS, as it reads perfectly fine throughout the throttle.
Reply
Old Jul 23, 2023 | 10:54 AM
  #5  
mattheww97's Avatar
Thread Starter
Member
10 Year Member
 
Joined: Sep 2014
Posts: 127
Likes: 6
Year: 2001
Model: Cherokee
Engine: 4.0
Default

Originally Posted by jmlight10
Sorry to revive an old thread, but did you happen to solve the problem? I am getting the same code with the same exact problems. TPS reads fine on scan tool, but p0700 is occurring and causing p0122 within the TCM. I don't want to buy a new TPS, as it reads perfectly fine throughout the throttle.
My story does not have a happy ending. I'm not sure if all of this is related or I just hit with a train of bad luck.

​​​​​I think somewhere in the thread I said I fixed it but whatever issues I fixed, always came back. I tried 3 different throttle position sensors, and 1 of them seemed to be better than the other but they all eventually threw the code. Jeep would run fine but then randomly stall out for no reason.

I also had a evap code that after replacing everything, would not go away either. I did some voltage testing with a video camera and after rewatching the video I noticed that the jeep would randomly loose voltage for a quick second and then go back to normal.

My final theory, was that something was wrong with the computer. The codes weren't making any sense and the jeep was either perfectly fine or not usable. I grabbed a new computer from my other jeep, but before I got the chance to install it, I had the horrible discovery that my 2001 head had a crack, and there was a ton of coolant in my oil.

Currently I'm saving up money for a new engine and the jeep has become more of a project car. I'm not sure if the issue was:

A. The computer
B. Some shorted wire that despite my efforts I could not find.
C. The cracked head was causing the jeep to run like ****, and the sensors had no clue what was happening.

Unfortunately C makes the most sense, to me. I really hope your issue is solvable. But please please please, if you do find a fix, let me know. Once I get a new engine, I have a gut feeling ill still see the tps code.

Reply
Old Jul 23, 2023 | 11:01 AM
  #6  
jmlight10's Avatar
Newbie
 
Joined: Jul 2023
Posts: 4
Likes: 0
Default

Gotcha. Other than this issue, my 01 runs great. I have seen some things regarding the clock spring sharing the ground with the TPS - I will be investigating that soon. Regardless, I should have an answer for you in the next coming weeks, because this is my daily driver and I need to get it back up and running. Before I start spending unnecessary money on parts, I will be doing extensive electrical testing to see whether I have a short anywhere in the TPS circuits. I am just happy to have a more definitive area to focus on, as for a while I had this problem but no descriptive codes. If the electrical testing goes fine, I will likely be replacing the clock spring and/or computer.
I'll keep you updated!
Reply
Old Jul 11, 2025 | 05:23 PM
  #7  
mattheww97's Avatar
Thread Starter
Member
10 Year Member
 
Joined: Sep 2014
Posts: 127
Likes: 6
Year: 2001
Model: Cherokee
Engine: 4.0
Default Bumping this to see if any new info is out there

I swapped my engine. No change to the TPS issue. Im getting P0122 and P0123. At one point my tachometer stopped working and my airbag light was on. I shut the engine off and restarted which fixed the tac issue and the airbag issue.
not sure if they are related. I do know the clock spring shares a grounding point but was wondering what else some of you have tried?
Reply
Related Topics
Thread
Thread Starter
Forum
Replies
Last Post
smusaf60
Stock XJ Cherokee Tech. All XJ Non-modified/stock questions go here
27
May 5, 2025 07:39 AM
morelia1976
Stock XJ Cherokee Tech. All XJ Non-modified/stock questions go here
1
Jan 14, 2019 09:16 AM
Norcal
Stock Grand Cherokee Tech. All ZJ/WJ/WK Non-modified/stock questions go here!
3
Feb 21, 2017 02:49 PM
Zerocyde
Stock XJ Cherokee Tech. All XJ Non-modified/stock questions go here
4
May 23, 2013 06:12 AM
bluetjjason
Stock XJ Cherokee Tech. All XJ Non-modified/stock questions go here
1
Jun 28, 2010 09:01 AM

Currently Active Users Viewing This Thread: 1 (0 members and 1 guests)
 



All times are GMT -5. The time now is 01:22 AM.