Stock XJ Cherokee Tech. All XJ Non-modified/stock questions go here XJ (84-01)
All OEM related XJ specific tech. Examples, no start, general maintenance or anything that's stock.

Dead Gauges and strange electrical issues

Thread Tools
 
Search this Thread
 
Old Nov 7, 2016 | 07:12 PM
  #1  
ClassicCarl's Avatar
Thread Starter
Junior Member
 
Joined: Sep 2014
Posts: 82
Likes: 0
From: Edmonton AB Canada
Year: 1999
Model: Cherokee
Engine: 4.0L
Default Dead Gauges and strange electrical issues

Hey everyone, I'm having sudden electrical issues with my Jeep. It's a bit of a unicorn so there's very little info that i have found online.

So anyway for starters my Jeep is a 1999 5speed, with SKIM ( Sentry Key Immobilizer ). It is fully power, and has keyless entry, however I've never had a remote.

For 3 years now i have had my gauges randomly drop out while driving, and the airbag light comes on. Wait a few seconds, or give the dash a good wack, and they would come right back to life.

Then the other day I went to start my jeep and every gauge was 100% dead. cluster was still lit up and displaying current mileage, but everything was dead, and it was not counting mileage. Airbag light was on. It DOES NOT ever display no-bus.

Now, I scoured the forums for hours looking for an explanation. I came across a lone thread where a gentleman stated that if he pressed and held his power door lock button, the gauges would come back to life, and then die again in a few seconds. So I tried and it out and to my disbelieve my gauges popped up for a few seconds and then died back out. Tried that 5 times and everytime they would die out again.

So I said what the hell, and then decided to try pressing and holding the doorlock button for about 30 seconds. AND BELIEVE IT OR NOT my gauges began to work again, and worked flawlessly all day. Then again this morning, gauges are dead, pressing and holding the doorlock button brought them back to life.

WHAT THE HECK How on earth are these two affecting each other.

Im gonna start by cleaning the connections obviously, and possibly try the TSB wire patch (50 at dealer ... ) but theres got to be more to it. It doesn't fit the normal "gauges are dead" scenario.

Thanks for reading!





- Carl
Reply
Old Nov 9, 2016 | 09:52 AM
  #2  
NewbJeep's Avatar
Senior Member
 
Joined: Nov 2013
Posts: 503
Likes: 0
From: Jax, FL
Year: 1998
Model: Cherokee
Engine: 4.0L
Default

Cleaning the connections behind the cluster should fix this.

Mine is getting more and more wonky but pushing the turn signal level to the right works for me haha. Press the plexi-glass on the cluster right next to the trip reset button and odometer next time the gauges drop. If they come back up, it's a dirty connector. (you're essentially putting pressure on the cluster connector in the back and making a "better" connection. Just a test, not a fix)
Reply
Old Nov 9, 2016 | 11:25 AM
  #3  
ClassicCarl's Avatar
Thread Starter
Junior Member
 
Joined: Sep 2014
Posts: 82
Likes: 0
From: Edmonton AB Canada
Year: 1999
Model: Cherokee
Engine: 4.0L
Default

Originally Posted by NewbJeep
Cleaning the connections behind the cluster should fix this.

Mine is getting more and more wonky but pushing the turn signal level to the right works for me haha. Press the plexi-glass on the cluster right next to the trip reset button and odometer next time the gauges drop. If they come back up, it's a dirty connector. (you're essentially putting pressure on the cluster connector in the back and making a "better" connection. Just a test, not a fix)
I tried the pushing on the cluster trick, but no dice for me. They've been working great for the last few days. So unless it happens again, I'm just guessing. Gotta love this mopar electrical!

Edit: Anyone have a 99 cluster wiring diagram?? Wanna take a deeper look into this. Would like to solve it for good instead of praying it continues to work haha

Last edited by ClassicCarl; Nov 9, 2016 at 11:31 AM.
Reply
Old Nov 10, 2016 | 10:12 AM
  #4  
michaelo's Avatar
Junior Member
 
Joined: Jun 2015
Posts: 34
Likes: 1
From: South Germany
Model: Cherokee
Engine: 4.0
Default

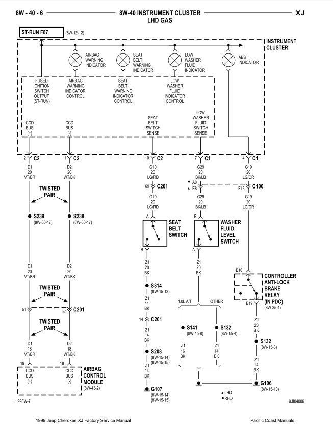
These are only 2 diagrams of many more...


Reply
Old Nov 10, 2016 | 12:22 PM
  #5  
CCKen's Avatar
CF Veteran
 
Joined: Aug 2010
Posts: 8,357
Likes: 103
From: Canton, MI
Year: 1999
Model: Cherokee
Engine: 4.0
Default

Originally Posted by ClassicCarl

Now, I scoured the forums for hours looking for an explanation. I came across a lone thread where a gentleman stated that if he pressed and held his power door lock button, the gauges would come back to life, and then die again in a few seconds. So I tried and it out and to my disbelieve my gauges popped up for a few seconds and then died back out. Tried that 5 times and everytime they would die out again.

So I said what the hell, and then decided to try pressing and holding the doorlock button for about 30 seconds. AND BELIEVE IT OR NOT my gauges began to work again, and worked flawlessly all day. Then again this morning, gauges are dead, pressing and holding the doorlock button brought them back to life.




Thanks for reading!
- Carl


Interesting problem.


Could be a bad ground and/or voltage leaking in to the instrument cluster ground.


Below are some diagrams to study/refer to.


Start by check for continuity in the grounds for the instrument cluster.


Remove the battery NEG post connector for this.


Set your digital Ohmmeter to 200 Ohm scale.


Remove the instrument cluster. Connector C1 is on your left and C2 on your right.


Use the gas pedal pivot mount stud(s) as a ground for your meter (-) probe, touch the cluster pin cavities.


C1, pin cav 6 and C2, pin cav 9. You should not see more than 5 Ohms resistance.


Next, check for stray voltage.


Reconnect the battery.


Set your voltmeter to 20 VDC.


While touching C1 pin cav, activate the driver's door lock switch. Any voltage? Repeat at C2, pin cav 9. Voltage?


Name:  99%20instrument%20cluster%20pinouts.jpg
Views: 929
Size:  1.94 MB
.
Name:  99%20ground%20network_inst%20cluster.jpg
Views: 941
Size:  429.5 KB
.
Name:  Gas%20Pedal%20-%20Copy%202.jpg
Views: 947
Size:  359.3 KB

Last edited by CCKen; Nov 10, 2016 at 05:36 PM.
Reply
Old Nov 10, 2016 | 03:50 PM
  #6  
NewbJeep's Avatar
Senior Member
 
Joined: Nov 2013
Posts: 503
Likes: 0
From: Jax, FL
Year: 1998
Model: Cherokee
Engine: 4.0L
Default

/\ he's the man
Reply

Currently Active Users Viewing This Thread: 1 (0 members and 1 guests)
 



All times are GMT -5. The time now is 06:23 AM.