Stock XJ Cherokee Tech. All XJ Non-modified/stock questions go here XJ (84-01)
All OEM related XJ specific tech. Examples, no start, general maintenance or anything that's stock.

Troubleshooting Crankshaft Position Sensor

Thread Tools
 
Search this Thread
 
Old Jan 31, 2024 | 07:59 PM
  #16  
cspaltro's Avatar
Thread Starter
Junior Member
5 Year Member
Liked
 
Joined: Dec 2019
Posts: 47
Likes: 2
From: Midvale, ID
Year: 1991
Model: Cherokee (XJ)
Engine: 4.0L-HO
Default

So I live in a very small town, population 200. I drove my Jeep across the highway over to the store to pick up a few things one day and it ran like normal, I always let it warm up before putting in gear and taking off. It was very cold and icy and snowy out at the time, single digits.
Next day, it was after dark and I wanted to make a run to the store again, I jumped in and turned the key, no start. That's how we got here. I've been replacing parts since. I used a spark tester that has a light and goes in line with the cap and plug... it did not light up so I knew I was not getting a spark. I removed my wires and the coil connection on the top of the cap had a ton of corrosion. I took the cap off and the inside surface of each bronze rotor point was corroded and after I sanded them and cleaned them I could see burn marks like the coil was firing hot. So, I just got a new rotor, cap, and I firgured for $15.00 I would replace the coil also. I did test the coil main voltage and saw 12V there. When I ohm tested it it was below spec so I figured maybe it was working but not as good as it should be.
I ohm tested the cam position sensor to make sure it had no shorts, it tested good, same with CPS. But so many people posting on here about the CPS being the problem I just went ahaed and replaced it thinking that it had to be the problem. Totally forgot to test the voltage on that little guy's plug side.
I'll go out tomorrow when it warms up and is not freezing in the morning to test voltage on the TPS (as soon as I figure out what it is) and the O2 sensors. So, by using the plural, are you saying that this 1991 hunker has an O2 sensor on the header and then another one behind the cat and knows when the cat is starting to go bad? I thought only OBDII vehicles could do that.

Thanks for the lead. I'll provide an update tomorrow.
Reply
Old Jan 31, 2024 | 11:57 PM
  #17  
97grand4.0's Avatar
CF Veteran
5 Year Member
Liked
Loved
Community Favorite
 
Joined: Nov 2015
Posts: 2,856
Likes: 201
From: syracuse ny
Year: 1997
Model: Grand Cherokee (ZJ)
Engine: 4.0, new lifters valve job with new springs and exhaust valves, preload set with shims
Default

Ok, so no spark, right? I was going to say check fuel pressure. Any codes? I’m not sure the 91 would have both O2 sensors, but the known problem is with the front sensor wiring. A TPS is throttle position sensor, I think the same 5V also goes to the CTS coolant temp sensor. So check those …I will qualify my remarks by saying if this is a Renix jeep I am not up on those as never had one, and they are different in many ways..
That said, a sudden no start no spark does sound more like a crank of cam sensor, ..IMO they do not always set a code, and it could be either sensor, though more often than not is the crank sensor.
To add another twist, aftermarket crank and cam sensors simply cannot be relied upon to work, period. These are mopar only as documented extensively on the forum.
Reply
Old Feb 1, 2024 | 03:28 AM
  #18  
Dave51's Avatar
CF Veteran
5 Year Member
Liked
 
Joined: Jan 2017
Posts: 3,413
Likes: 399
From: Connecticut
Year: 2000
Model: Cherokee (XJ)
Engine: 4.0
Default

Originally Posted by cspaltro
Status update:
I don't have a drawing or schematic of the PCU for 1991. I've looked for the field servce manual and the best I could find was 1984-1993, I know there are differences between 1991, 1992, and 1993 and then there's the whole Renix phase... how can they put all of that in one book and call it universal. So I don't trust what I see in that book.

So... what's next?
https://www.ebay.com/itm/40235930657...IAAOSw9N1Vrt3E

Reply
Old Feb 1, 2024 | 03:33 AM
  #19  
Dave51's Avatar
CF Veteran
5 Year Member
Liked
 
Joined: Jan 2017
Posts: 3,413
Likes: 399
From: Connecticut
Year: 2000
Model: Cherokee (XJ)
Engine: 4.0
Default

These guys claim to be 1991, but you're right. There were significant changes around that period and you really need to know what you're working on before you start Hack n' Slash.



Reply
Old Feb 1, 2024 | 08:59 PM
  #20  
cspaltro's Avatar
Thread Starter
Junior Member
5 Year Member
Liked
 
Joined: Dec 2019
Posts: 47
Likes: 2
From: Midvale, ID
Year: 1991
Model: Cherokee (XJ)
Engine: 4.0L-HO
Default Ground, short, or bad relay

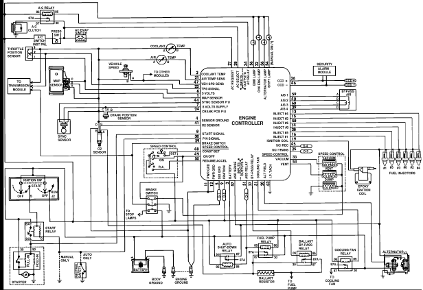
I did some probing around. According to the diagram above and it makes sense based on what I'm seeing under my hood.
MAP Sensor & TPS get 5V from pin 6 of the PCU
CPS & Cam Position Sensor (aka: Sync Sensor) get 5V from pin 7 of the PCU
O2 Sensor gets some reduced voltage from the fuel pump ballast resistor line fed from the fuel pump relay and/or ballast by-pass relay. I am not sure how all of those components work together to make my fuel pump work.
So when I metered the sensors I got very low voltage on all of them.
CPS: 0.65V from PCU / 0.0V on signal to PCU / 3.5ohm on ground
Cam Pos Sensor: 0.65V from PCU / 0.0V on signal to PCU / 3.5ohm on ground
MAP: 0.65V from PCU / 0.64V on signal to PCU / 3.5ohm on ground
TPS: 0.69V from PCU / 0.62V on signal to PCU / 3.5ohm on ground
I did not test the O2 sensor as it was raining and getting dark. Besides, the O2 Sensor does share the "sensor ground" from the PCU but the heater is grounded to the engine block, and it gets its power from the relay block not the PCU.

Another issue I noticed- I pulled the fuel pump relay and the legs appeared burned, could be a bad relay or on its way out. I pulled the ASD relay and measured voltage at the base at plug 86 which should always have 12V (ignition on) with 0V at plug 85. However, with relay removed I was seeing 12V at both 86 and 85. This is not right. When I pulled the fuel relay and checked 86 and 85 in that socket, only 12V in plug 86. Then I checked the ASD socket again with the fuel pump relay out, no voltage in plug 85 now. I put the ASD relay in the fuel pump socket and the 12V came back to plug 86 and 85 both. I pulled the relay out of the fuel pump socket and the voltage went away on the ASD plug 85. I put the relay back in the ASD plug and tested the fuel pump plugs and now am seeing 12V on both 86 and 85 in that socket. I don't understand. That's not how these relays work, pretty sure about that.

I need to figure out why the computer is not sending out a full 5V on pins 6 and 7. It probably has something to do with the high resistance on the sensor ground, pin4 which is shared across all of the sensors including the speed sensor, engine coolant sensor, and air temp sensor, none of which are powered, they are resistance type sensors that raise and lower the voltage on the one wire coming from the PCU, the other wire is connected to the shared ground. Is it possible that I have a short in the ignition system which connects to each of the pin 86 in the fuse/relay block under the hood? I'm so confused, this must be a bad ground but, in a harness, or something because all of my connections are good. How do I find a wire inside a harness that shorted out? from plug to firewall they are all ringing the same. Any ideas?

Reply
Old Feb 2, 2024 | 08:19 AM
  #21  
Dave51's Avatar
CF Veteran
5 Year Member
Liked
 
Joined: Jan 2017
Posts: 3,413
Likes: 399
From: Connecticut
Year: 2000
Model: Cherokee (XJ)
Engine: 4.0
Default

Originally Posted by cspaltro
Another issue I noticed- I pulled the fuel pump relay and the legs appeared burned, could be a bad relay or on its way out...
You need to fully vet that out. Is it part of the current problem or a leftover from a previous problem. If it was from a previous problem did a PO do some repairs/mods.

O2 Sensor gets some reduced voltage from the fuel pump ballast resistor line fed from the fuel pump relay and/or ballast by-pass relay. I am not sure how all of those components work together to make my fuel pump work.
These are the most susceptible areas to heat, corrosion and failure. Check by test and eyeball.

Who was the poster where the underside of the fusebox was totally corroded?
Reply
Old Feb 2, 2024 | 12:12 PM
  #22  
cspaltro's Avatar
Thread Starter
Junior Member
5 Year Member
Liked
 
Joined: Dec 2019
Posts: 47
Likes: 2
From: Midvale, ID
Year: 1991
Model: Cherokee (XJ)
Engine: 4.0L-HO
Default

Originally Posted by Dave51
You need to fully vet that out. Is it part of the current problem or a leftover from a previous problem. If it was from a previous problem did a PO do some repairs/mods.


These are the most susceptible areas to heat, corrosion and failure. Check by test and eyeball.

Who was the poster where the underside of the fusebox was totally corroded?
I don't remember seeing any posts in this thread about the underside of the fusebox being corroded.
I'll check the O2 sensor today. But would a bad connection on the O2 sensor cause me to get no spark and no power to the fuel pump upon turning the ignition on and trying to start? Seems a bit far fetched and normally would give a check engine light or code. The only thing the O2 Sensor has in common with the CPS and Sync Sensor is the Sensor Ground. I guess if that is shorted to one of the other wires it could cause the whole world to come to a stop. UGGGG
Reply
Old Feb 2, 2024 | 12:27 PM
  #23  
Dave51's Avatar
CF Veteran
5 Year Member
Liked
 
Joined: Jan 2017
Posts: 3,413
Likes: 399
From: Connecticut
Year: 2000
Model: Cherokee (XJ)
Engine: 4.0
Default

Originally Posted by cspaltro
I guess if that is shorted to one of the other wires...
Zackly!

When things starts to melt, the possibilities are endless!
Reply
Old Feb 2, 2024 | 12:31 PM
  #24  
Dave51's Avatar
CF Veteran
5 Year Member
Liked
 
Joined: Jan 2017
Posts: 3,413
Likes: 399
From: Connecticut
Year: 2000
Model: Cherokee (XJ)
Engine: 4.0
Default

Now the neurons are starting to fire.

Randy61:

Reply
Old Feb 3, 2024 | 02:45 PM
  #25  
cspaltro's Avatar
Thread Starter
Junior Member
5 Year Member
Liked
 
Joined: Dec 2019
Posts: 47
Likes: 2
From: Midvale, ID
Year: 1991
Model: Cherokee (XJ)
Engine: 4.0L-HO
Default

WOW, that power terminal is toast! That's the first I've seen that photo.
So I checked my O2 Sensor yesterday afternoon and it appears to be relatively new. All readings from the sensor itself were good. When I tested the plug I got high resistance on the ground plug, not sure what to expect from the power side.

I ordered a batch of 5 new relays for each of my items in the power distribution box (Starter, ASD, A/C, Fuel Pump, Cooling Fan). The drawing that Dave51 attached included "Ballast By-Pass Relay" which I do not have. I do have a ballast resistor mounted on the driver side body up next to the windshield wiper fluid bottle with a green wire coming off each side. Looking at it, I question it's effectiveness or functionality but it hasn't presented any problems for my O2 sensor and my fuel pump seems to be working fine, I'm not sure what else it's used for.

I am going to freshen up all of my ground connections today, it's a shot in the dark but I don't know what else could be causing my PCU to only output 0.7v on pins 6 and 7 which power all of the sensors (except O2). If after my grounds are all clear and clean, this problem is still around, I'm left with bad PCU? I have stumbled on a few videos talking about 91-94 YJ common problem being the ECM (PCU whatever). The main indicator that they talked about was that when they turned on the ignition the dash lights came on but no check engine light which should come on for a few seconds. The fix was to pull apart the PCU and replace 3 capacitors, put back together and the check engine light came on when the ignition was turned on. None of the videos stated in specific what symptoms this would cause other than the jeep just turns over and over and over and does not start... just like mine is doing. They did not say if it would cause sensors to stop working or anything like that. One video the guy replaced all three but just one had clear signs that it was fried, the other two looked ok from the outside.
I notice that when I turn on my ignition, the check engine light does not come on at all. But then, I never noticed if it ever has, if it's supposed to or not. Anyone out there with a working 91-94/95 XJ that can tell me if your check engine light comes on for a few seconds when you turn your ignition on? I get a seatbelt light and another light but no check engine light. I have seen it light up before but no more.

Latest thoughts?
Reply
Old Feb 3, 2024 | 05:05 PM
  #26  
Dave51's Avatar
CF Veteran
5 Year Member
Liked
 
Joined: Jan 2017
Posts: 3,413
Likes: 399
From: Connecticut
Year: 2000
Model: Cherokee (XJ)
Engine: 4.0
Default

Does the ECU have power (looks like 3 all the time and 9 with KO)?

A ballast resistor w/o a relay? Well that ain't right, but since it was running before I guess that's academic.

If you want to change capacitors LMK. I have a bunch of 220 μF 35V and you are welcome to a few if you want (you may have 25V but these are better).

Your comments about the fuel pump are unclear to me. Does the pump run and generate pressure at KO?
You may need to trace everything from the KO position in the ignition and out.
Reply
Old Feb 4, 2024 | 03:32 PM
  #27  
cspaltro's Avatar
Thread Starter
Junior Member
5 Year Member
Liked
 
Joined: Dec 2019
Posts: 47
Likes: 2
From: Midvale, ID
Year: 1991
Model: Cherokee (XJ)
Engine: 4.0L-HO
Exclamation

Thanks Dave51...
I'm sorry, I've tried to think of everything, what are you referring to with "KO"??
Before removing the PCU I did measure 12V at pin 3. I did not measure pin 9 because I did not know what that was. The print out of the drawing had VERY blurry text and some of the words were just 100% illegible. I must not have been able to discern what 9 was. Is that power going to the ASD or to Ignition? I'm guessing ignition is getting power because when I turn the key on the buzzer goes off and the brake light lights up on the dash the radio turns on and when I turn the key the starter engages and turns over the engine, the oil pressure climbs but it just doesn't start. I figured ignition has it's power. I could be wrong in my assumption there. What's on pin 9, oh, KO, what's that?
Yeah, I have the PCU on my kitchen table right now, could you send me 3 of those capacitors? The two videos I watched were from a Wrangler and those guys had 25V, I don't know what I have in mine because I haven't cracked it open yet, I'm still on the hunt for my soldering iron, I found my solder sucker which I haven't used in 30 years but I can't find my iron which gets used constantly, go figure.

Can you mail them to me? Is it ok to put my address in this forum?

I'm going to check the ground resistance with the computer out of the equation. I bought new relays for every position just in case one or more was on it's way out or bad completely. 5 relays, Standard Ignition brand, $144.99 O'Rielly's. My daughter drove 2 hours round trip to bring them to me. This issue is really costing me a lot. Right now this Jeep is my primary daily driver. Yes, not a good idea, but for now, it's my only option. I'm wondering if the 3.5ohms that I was seeing on the sensor plugs was originating inside the computer, that's where the sensor ground comes from. If with the computer out of the picture the resistance is gone, that rules out a harness problem. I checked and cleaned all of my ground connections and put some dielectric grease on them to prevent future corrosion. They were all testing good before (0.01-0.02ohms) from battery to ground point. I cleaned them anyway. Sensor plugs still tested at 3.5ohms.

Let me know how I can get you my address Dave51. Thanks a lot. I could use those ASAP.
Chad

Thank you all so much for your help!

Last edited by cspaltro; Feb 4, 2024 at 03:43 PM. Reason: Forgot to answer question about "do I have power at 3 & 3"
Reply
Old Feb 4, 2024 | 04:13 PM
  #28  
Dave51's Avatar
CF Veteran
5 Year Member
Liked
 
Joined: Jan 2017
Posts: 3,413
Likes: 399
From: Connecticut
Year: 2000
Model: Cherokee (XJ)
Engine: 4.0
Default

KO = Key On.

Send private message for address-- click on name then 2nd item on the list.

When you crack open the box look for broken solder connections too.


Reply
Old Feb 4, 2024 | 04:45 PM
  #29  
cspaltro's Avatar
Thread Starter
Junior Member
5 Year Member
Liked
 
Joined: Dec 2019
Posts: 47
Likes: 2
From: Midvale, ID
Year: 1991
Model: Cherokee (XJ)
Engine: 4.0L-HO
Default

Dave51...
When I say "My fuel pump seems to be working fine."
I actually was trying to say that the relay / ballast resistor setup that I have seems to be powering my fuel pump fine (speaking of when my jeep actually ran). I do not know if my fuel pump spools up when I turn on my key because as soon as I turn on the key I get a loud buzzer to tell me that my door is open or my seatbelt isn't on or my ignition is on and my car isn't running or something. I hate that buzzer but I won't take it out because it also tells me that my lights are on during the twilight when I am very likely to leave them on and drain my battery.
I will have a neighbor come over and take a listen to my back seat floor and see if he can hear the fuel pump over the buzzer. I doubt he will because my CPS and Sync Sensor are telling the computer to cut power to the fuel pump just like the coil is not sending spark to the plugs. When I start getting spark to my plugs and I have problems starting then I will look into the fuel pump.

By chance do you know if the relays are all 30A relays? Is the ASD and Cooling Fan relay 40A?
Thanks!!
Reply
Old Feb 4, 2024 | 08:45 PM
  #30  
cspaltro's Avatar
Thread Starter
Junior Member
5 Year Member
Liked
 
Joined: Dec 2019
Posts: 47
Likes: 2
From: Midvale, ID
Year: 1991
Model: Cherokee (XJ)
Engine: 4.0L-HO
Default PCU brain surgery

I just opened up the PCU and immediately I smelled that unique electrical burn smell. I also noticed that around the top of "one" of the capacitors it appears to have gotten very hot and melted the gel cased around it and it ran down to a power supply which could be the power supply for the 5VDC responsible for the sensor outputs on pin 6 and 7? I don't know if that transformer is damaged or not, I don't know how to test it other than replace the capacitors and plug it in to see if it's back to it's normal self again. I'll get them removed and await the capacitors from Dave51 which he is so graciously donating to this project. and then will get it back in the car right away and report back to this post.

Chad





Last edited by cspaltro; Feb 4, 2024 at 08:57 PM. Reason: add photos
Reply



All times are GMT -5. The time now is 03:16 AM.