Also In This Album

88XJ information (2) »
djgrayxj June 9, 2016
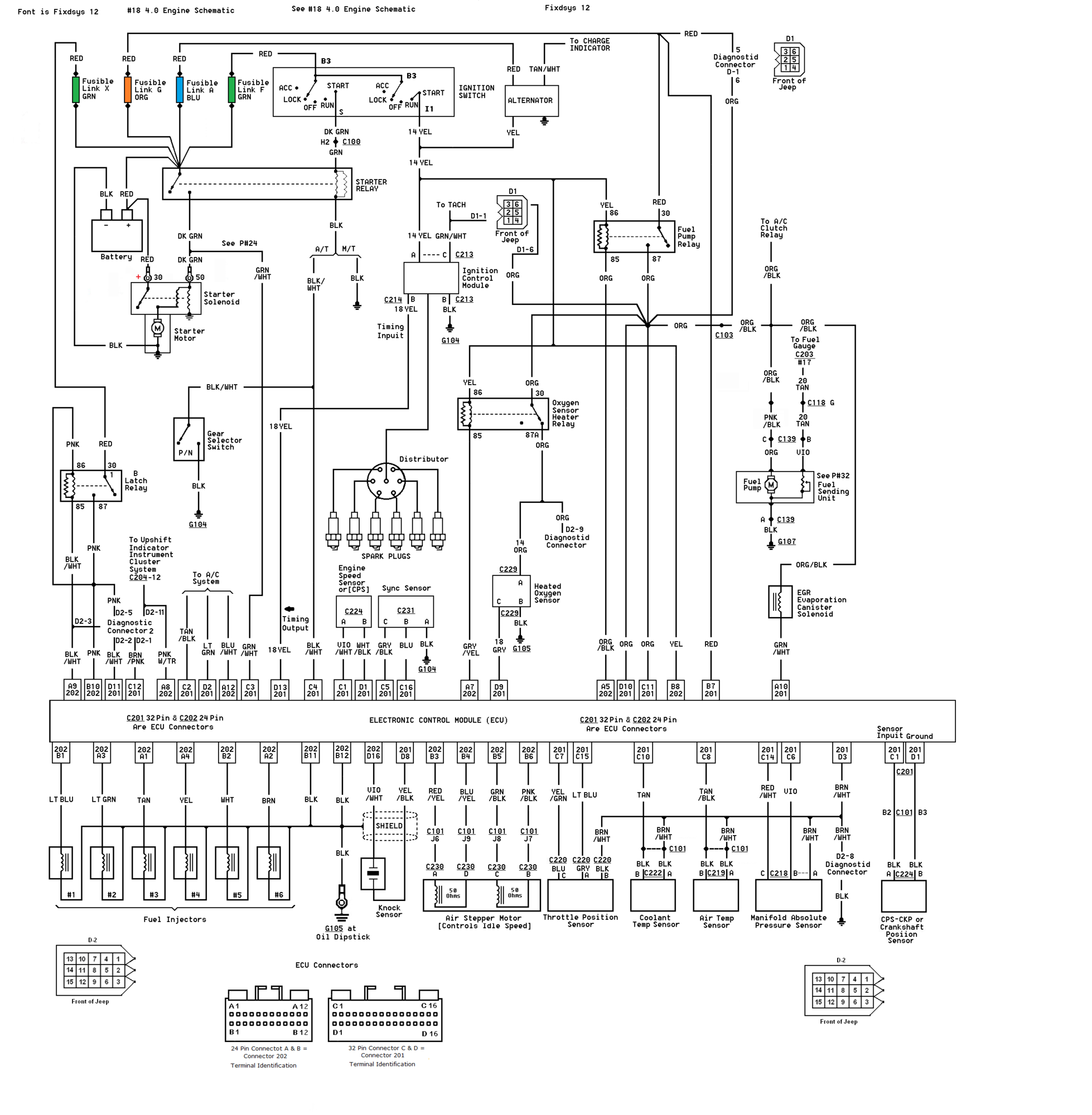
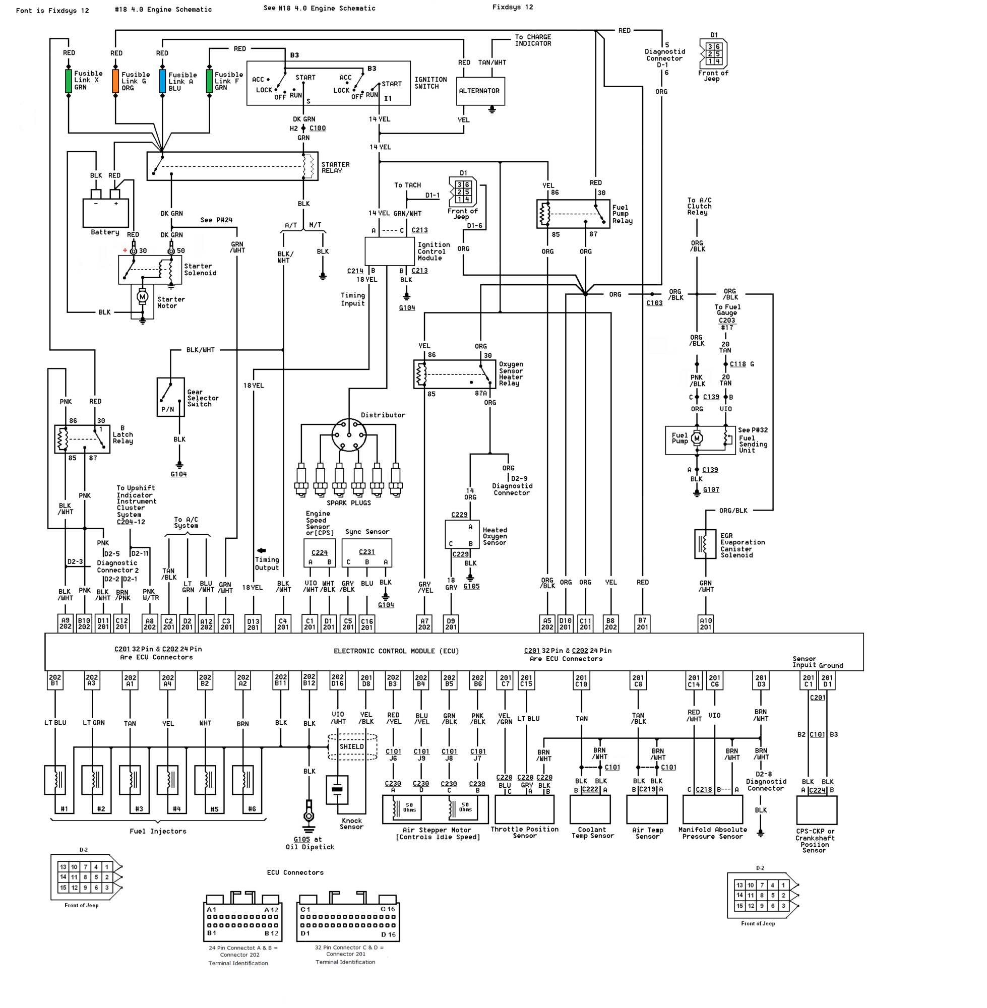
1988 Schematic

More About This Picture

Vehicle

N/A

Location

N/A

Keywords

N/A

Discover More Pictures

See More
Advertisement

Comments (0)

Please Register or log in to leave a comment.

Be the first to comment on this picture!